EasyManua.ls Logo

eka EKF 616 TC - Page 44

eka EKF 616 TC
49 pages
Print Icon
To Next Page IconTo Next Page
To Next Page IconTo Next Page
To Previous Page IconTo Previous Page
To Previous Page IconTo Previous Page
Loading...
TECNOEKA Srl ___________________________________________________________ operating and instruction manual
page 44 _____________________________________________________________________________________________
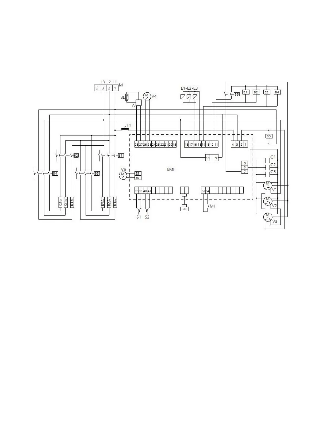
MODEL EKF 1064 TC/0/029 - EKF 1111 TC/1/029
Key
M Power supply terminal board
B1-B2-B3-B4 Contactor coils
B5 Relay coil
R1-R2-R3 Circular resistors
T1 Safety thermostat
C1-C2-C3 Capacitors
V1-V2-V3 Radial motorfans
V4 Cooling motorfan
A LED Bar Power Supply Unit
BL LED Bar
MI Door microswitch
E1-E2-E3 Water solenoid valves
S1 Cooking chamber probes
S2 Food “core” probe
SMI Microprocessor board
SD Display board

Related product manuals