EasyManua.ls Logo

eka EKF 616 TC - Page 45

eka EKF 616 TC
49 pages
Print Icon
To Next Page IconTo Next Page
To Next Page IconTo Next Page
To Previous Page IconTo Previous Page
To Previous Page IconTo Previous Page
Loading...
Electronic convection oven rev. 11 ________________MODD. EKF 616 TC EKF 664 TC EKF 711 TC EKF 1016 TC
EKF 1064 TC EKF 1111 TC EKF 1664 TC EKF 2011 TC
_________________________________________________________________________________________ page 45
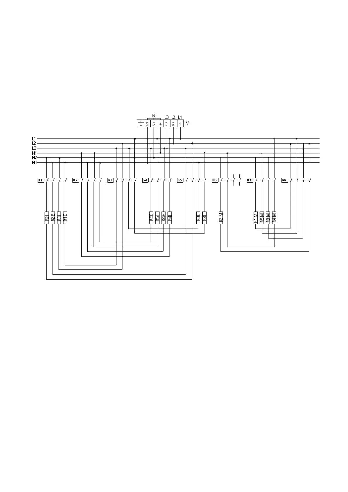
MODELS EKF 1664 TC EKF 2011 TC
Power diagram
Key
M Power supply terminal board
L1 Line 1 Phase Terminal
L2 Line 2 Phase Terminal
L3 Line 3 Phase Terminal
N1 Neutral Terminal 1
N2 Neutral Terminal 2
N3 Neutral Terminal 3
B1-B2-B3-B4-B5-B6-B7-B8 Contactor coils
R1-R2-R3-R4-R5 Circular resistors

Related product manuals