EasyManua.ls Logo

Electrolux COOKING - Example Circuit Diagram Prisma

Electrolux COOKING
38 pages
Print Icon
To Next Page IconTo Next Page
To Next Page IconTo Next Page
To Previous Page IconTo Previous Page
To Previous Page IconTo Previous Page
Loading...
- 35 -
DGS-TDS-N 05.09 A. B. © Electrolux 599 521 367 EN
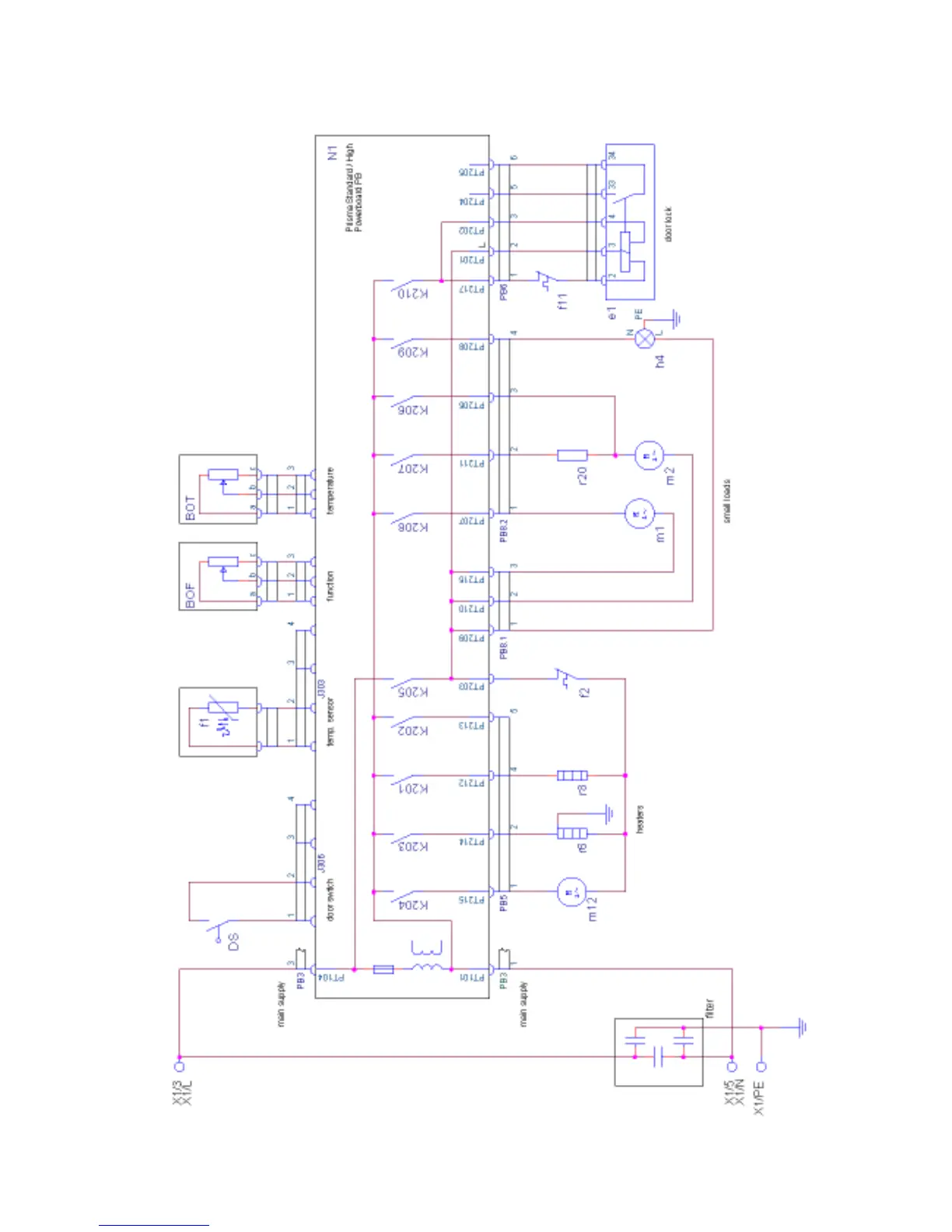
7.5 Example circuit diagram Prisma

Table of Contents

Related product manuals