EasyManua.ls Logo

Electrolux EWM 1000 Plus - 7.7 The drain pump; 7.8 The motor; 7.9 Anti-foam control system

Electrolux EWM 1000 Plus
41 pages
Print Icon
To Next Page IconTo Next Page
To Next Page IconTo Next Page
To Previous Page IconTo Previous Page
To Previous Page IconTo Previous Page
Loading...
- 25 -
DGS-TDS-N07.2003 C.D. 599 51 74-13 EN
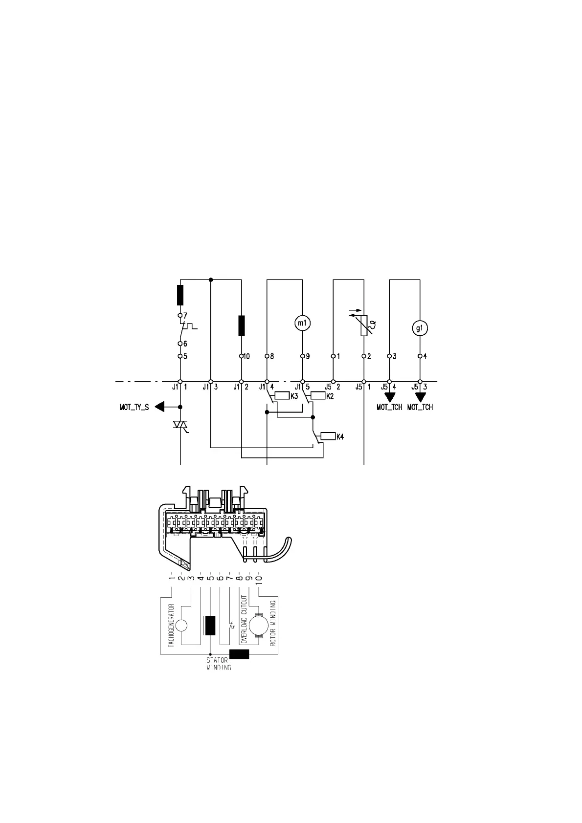
7.8 The motor
The PCB powers the motor via a triac. The direction of rotation is reversed by switching of the contacts
on the two relays (K2-K3), which modify the connection between the rotor and the stator.
In certain models, a third relay (K4) is used to power the stator (full or half range) according to the spin
speed.
The speed of rotation of the motor is determined by the signal received from the tachymetric
generator (g1).
During the spin phases, the microprocessor, depending on the software configuration, may perform the
anti-foam control procedure and the anti-unbalancing control procedure.
7.7 The drain pump
The PCB powers the drain pump via a triac as follows:
- for a pre-determined period
- until the anti-boiling pressure switch closes on EMPTY, after which the pump is actioned for a brief
period or passes to the subsequent phase.
Connection:
124 306 103
FHP 230V; 50Hz AC 135W +/-8% 1,95W +/-8% 1,70W +/-8%
124 309 903 FHP 230V; 50Hz AC 135W +/-8% 1,75W +/-8% 1,12W +/-8%
132 079 901 FHP 230V; 50Hz AC 135W +/-8% 1,71W +/-8% 0,49W +/-8% 1,26W +/-8%
Article number Connection Tacho Rotor Stator Stator complete
(3-4) (8-9) (5-1) (5-10)

Table of Contents

Related product manuals