EasyManua.ls Logo

Electrolux EWM 1000 Plus - 14. Circuit diagram

Electrolux EWM 1000 Plus
41 pages
Print Icon
To Next Page IconTo Next Page
To Next Page IconTo Next Page
To Previous Page IconTo Previous Page
To Previous Page IconTo Previous Page
Loading...
- 39 -
DGS-TDS-N07.2003 C.D. 599 51 74-13 EN
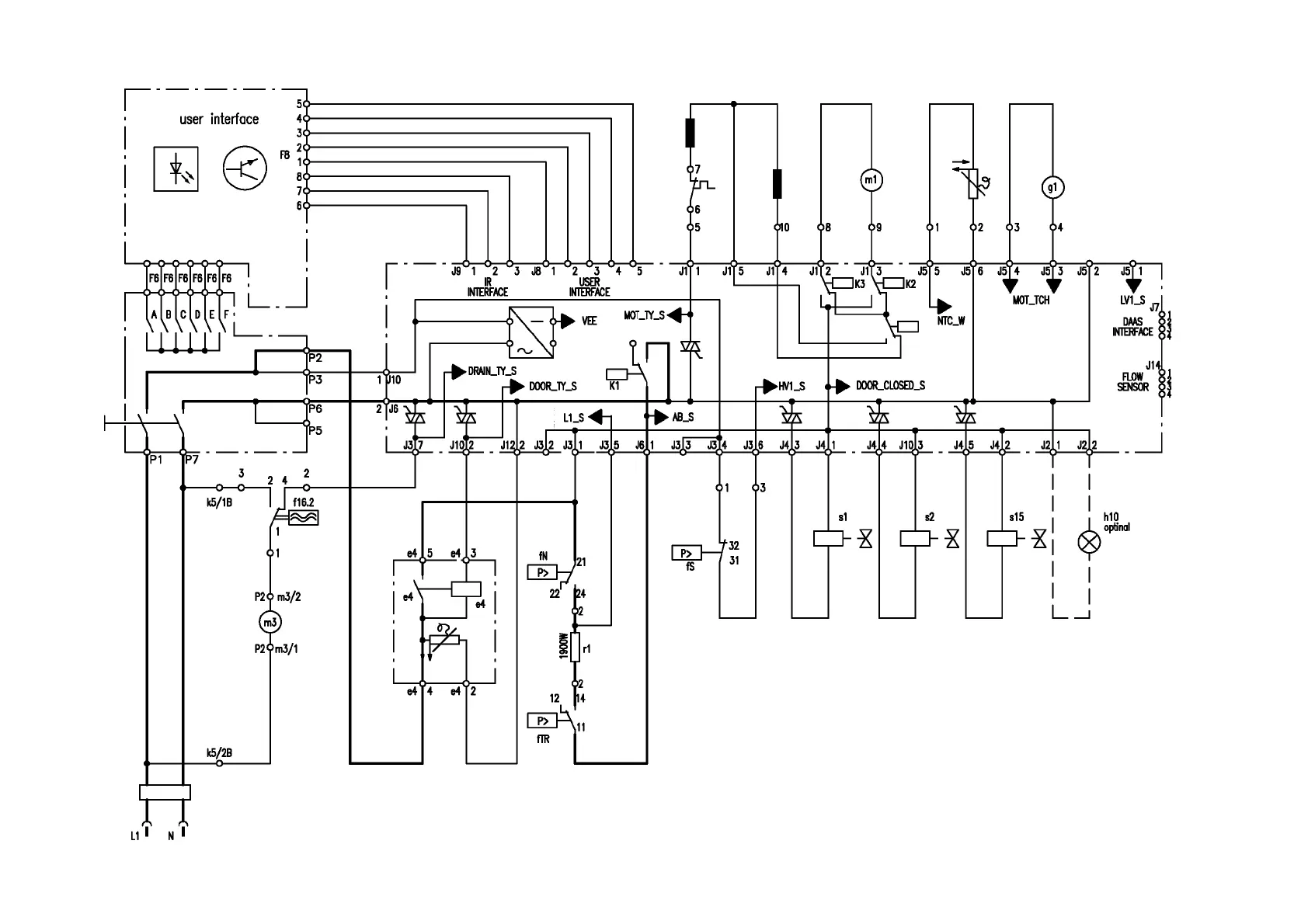
14. Circuit diagram
14.1 Example with IDOLO-doorlock

Table of Contents

Related product manuals