EasyManua.ls Logo

Electrolux NEXT GEN - Page 56

Electrolux NEXT GEN
88 pages
Print Icon
To Next Page IconTo Next Page
To Next Page IconTo Next Page
To Previous Page IconTo Previous Page
To Previous Page IconTo Previous Page
Loading...
56
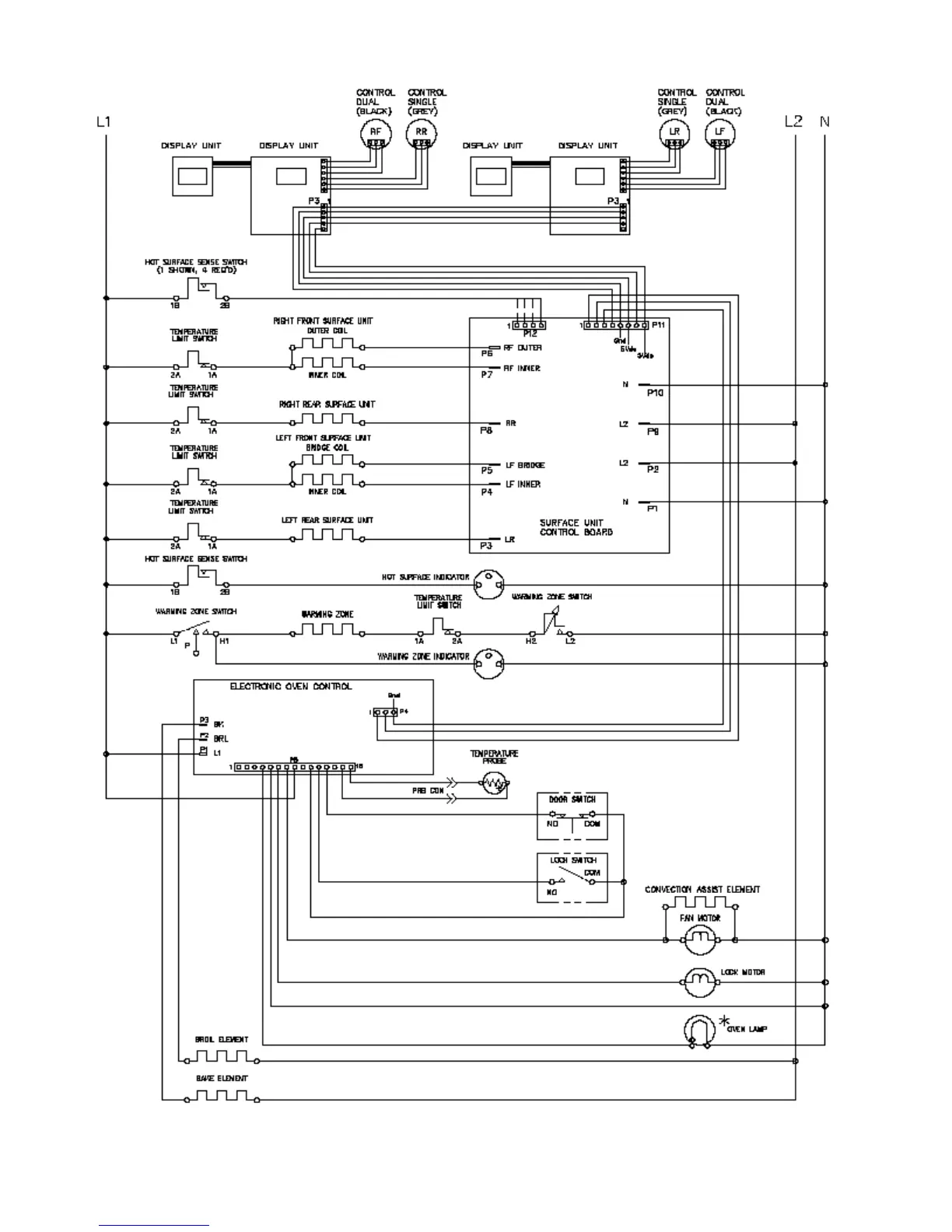
SAMPLE SCHEMATIC FOR THE ES 400 CONTROL SYSTEM

Table of Contents

Related product manuals