EasyManua.ls Logo

Electron E-COAT Master - “M” Type Device Kits Electro-Pneumatical Connections

Electron E-COAT Master
63 pages
Print Icon
To Next Page IconTo Next Page
To Next Page IconTo Next Page
To Previous Page IconTo Previous Page
To Previous Page IconTo Previous Page
Loading...
16
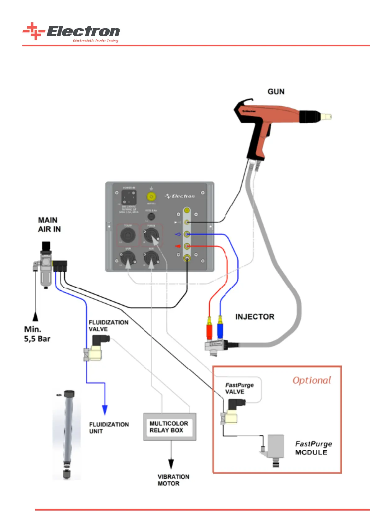
b. “M” type Device Kits Electro-Pneumatical Connections

Table of Contents