EasyManua.ls Logo

Emerson 3403 - Page 174

Emerson 3403
200 pages
Print Icon
To Next Page IconTo Next Page
To Next Page IconTo Next Page
To Previous Page IconTo Previous Page
To Previous Page IconTo Previous Page
Loading...
Menu 15
I/O options
Introduction
Parameter
x.00
Parameter
description format
Keypad and
display
Serial
communications
CT Modbus
RTU
PLC Ladder
programming
CTSoft Menu 0
Advanced parameter
descriptions
174 Commander SK Advanced User Guide
www.controltechniques.com Issue Number: 9
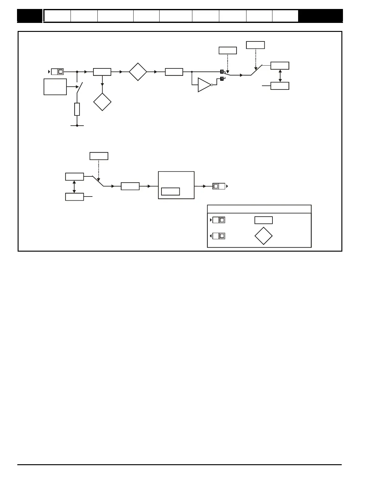
Figure 10-45 Menu 15B logic diagram*
* x in the parameter boxes represents Menu 15 (i.e. x.04 = Pr 15.04)
T2
x.40
Monitor
x.03
Current loop
loss indicator
x.41
Scaling
x(-1)
x.42
Invert
x.43
Destination
0.00
21.51
Default
destination
Pr
0.00
200R
0V
Current
mode and
protection
x.38
Mode
x.48
0.00
Default
source
Pr
0.00
21.51
T3
Source
XX
XX
Key
Read-write
(RW)
parameter
Read-only (RO)
parameter
Input
terminals
Output
terminals
XX
XX
x.49
Scaling
x.39
Mode
Voltage
or current

Table of Contents

Related product manuals