EasyManua.ls Logo

enphase IQ8AC - Page 34

enphase IQ8AC
35 pages
Print Icon
To Next Page IconTo Next Page
To Next Page IconTo Next Page
To Previous Page IconTo Previous Page
To Previous Page IconTo Previous Page
Loading...
DATE :
08/03/2023
SHEET:
1 of 1
SCALE:
NTS@A4
DRAWING No:
EN-IQ8-3PHN
DRAWING Name:
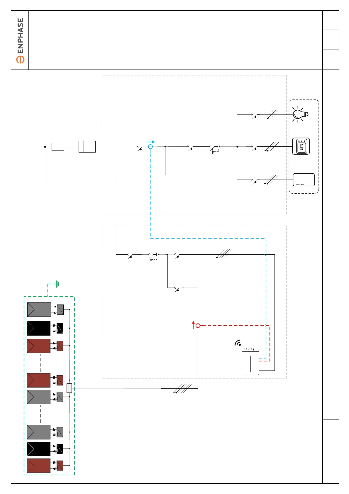
Electrical diagram example: Multi-phase IQ8 Series Microinverters (IQ8MC or IQ8AC or IQ8HC) Grid Tied PV System
Gateway internet connection:
- Ethernet LAN cable
- Wi-Fi
- Mobile Connect Cellular Modem
Gateway internet connection:
- Ethernet LAN cable
- Wi-Fi
- Mobile Connect Cellular Modem
Q1
1PH+N
Q1
1PH+N
Q2
1PH+N
Q2
1PH+N
Qn
1PH+N
Qn
1PH+N
Consumption measurement
CTs installed on Line
Conductors
Production measurement
CT installed on Line
Conductors
AC Cable 5 Core
(L1, L2, L3, N, PE)
6 mm² Minimum recommended
conductor size, see note 4
AC Cable 5 Core
(L1, L2, L3, N, PE)
6 mm² Minimum recommended
conductor size, see note 4
AC Cable 4x 2.5mm² (L1, L2, L3, N)AC Cable 4x 2.5mm² (L1, L2, L3, N)
MCB
3PH+N
20A
MCB
3PH+N
20A
MCB
3PH+N
6A
MCB
3PH+N
6A
Utility meter
See note 9
Utility meter
See note 9
kWhkWh
Main Breaker
3PH+N
Main Breaker
3PH+N
PV Sub-panelPV Sub-panel
Main PanelMain Panel
LoadsLoads
RCD - Consumption
3PH+N
See note 7
RCD - Consumption
3PH+N
See note 7
MCB - Consumption
3PH+N
Multi-phase IQ Cable 4x 2.5 mm²
(L1, L2, L3, N)
MCB - Production
3PH+N
40 A
MCB - Production
3PH+N
40 A
RCD - Production
3PH+N
40A, 30mA
See notes 7 and 8
RCD - Production
3PH+N
40A, 30mA
See notes 7 and 8
~~ ~~ ~~~~~~ ~~~~
~~
JB
L1-N L2-N L3-N
L1-N L2-N L3-N
L3-N L1-N
Maximum Microinverters per 20 A Circuit:
33x IQ8MC or 30x IQ8AC or 27x IQ8HC
(Maximum 16 A per phase)
Maximum 18 microinverters per
IQ Cable Section
Maximum 18 microinverters per
IQ Cable Section
NOTES:
1.These schematics are examples
only. These schematics provide
recommendations to assist the
system designer and installer.
2.The design and installation of the
photovoltaic power plant must be
carried out in accordance with local
electrical standards in the country
of installation and must be carried
out by competent personnel.
3.Before installing any PV
equipment, check the phase-to-
neutral voltage at the point of
connection. The operating voltage
must be within a range acceptable
for the 230 V microinverters.
4.The lengths and cross sections of
AC cable (between the end of the
IQ Cable and the electrical panel)
must be determined in accordance
with the electrical standards in
force in the country of installation. It
is recommended that the voltage
drop on this cable does not exceed
1% and that overall voltage drop in
the PV circuit from the point of
connection to the most remote
microinverter does not exceed 2%.
5.The 2.5 mm² IQ Cable is usually
protected by a 20 A B curve circuit
breaker.
6. The equipotential bonding
between PV module frames, array
mounting structure and the metal
microinverter mounting brackets
must be installed in accordance
with local electrical standards.
7. Surge protection devices (SPD)
and Residual Current Devices
(RCD) must be installed
accordance with local electrical
standards. Enphase microinverters
have an Internal surge protection.
8. Enphase microinverters have an
integrated High Frequency
transformer which provides
galvanic separation between DC
and AC parts. Where local
electrical standards require RCD
protection, a Type AC device can
be used.
9. Utility meter may be located
inside the main panel or as a
standalone device.
10. Use a G99 approved third party
network protection relay for PV
systems with system size above
17kW per phase.
Array structure
earthing where
required
See note 6
Public Electricity Network
(Grid connection)
IQ Gateway
Metered
Communication
Gateway

Related product manuals