EasyManua.ls Logo

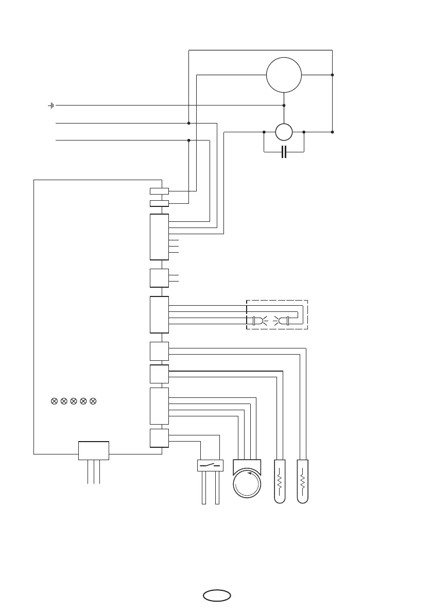
EOS E-Cool Wall B - Schaltplan

EOS E-Cool Wall B
Print Icon
To Next Page IconTo Next Page
To Next Page IconTo Next Page
To Previous Page IconTo Previous Page
To Previous Page IconTo Previous Page
Loading...
18
D
M1
1~
M
1~
CN1 CN2 CN3 CN4 CN5 CN6
Power
A
B
L N
GR
YE
GN
BL
BN
WH
BN
WH
BL
GN
YE
GR
6
5
4
3
2
1
GN
WH
230 V AC 50 Hz
CN7
TC2
TC1
RT1
WS1
OP1
Schaltplan
Schnecke
Kompressor
Füllstand-Sensor
Drehgeber
Temp.
Kondensator
Temp.
Verdampfer
Wasserstand-
Fühler
Steuerung Eiserzeuger
Gerät in Betrieb
max. Füllgrad erreicht
Wassermangel
Kondensatortemp. zu hoch
Verdampfertemp. zu hoch

Table of Contents