EasyManua.ls Logo

EOS E-Cool Wall B - Схема Подключений

EOS E-Cool Wall B
Print Icon
To Next Page IconTo Next Page
To Next Page IconTo Next Page
To Previous Page IconTo Previous Page
To Previous Page IconTo Previous Page
Loading...
56
RU
M1
1~
M
1~
CN1 CN2 CN3 CN4 CN5 CN6
Power
A
B
L N
GR
YE
GN
BL
BN
WH
BN
WH
BL
GN
YE
GR
6
5
4
3
2
1
GN
WH
230 V AC 50 Hz
CN7
TC2
TC1
RT1
WS1
OP1
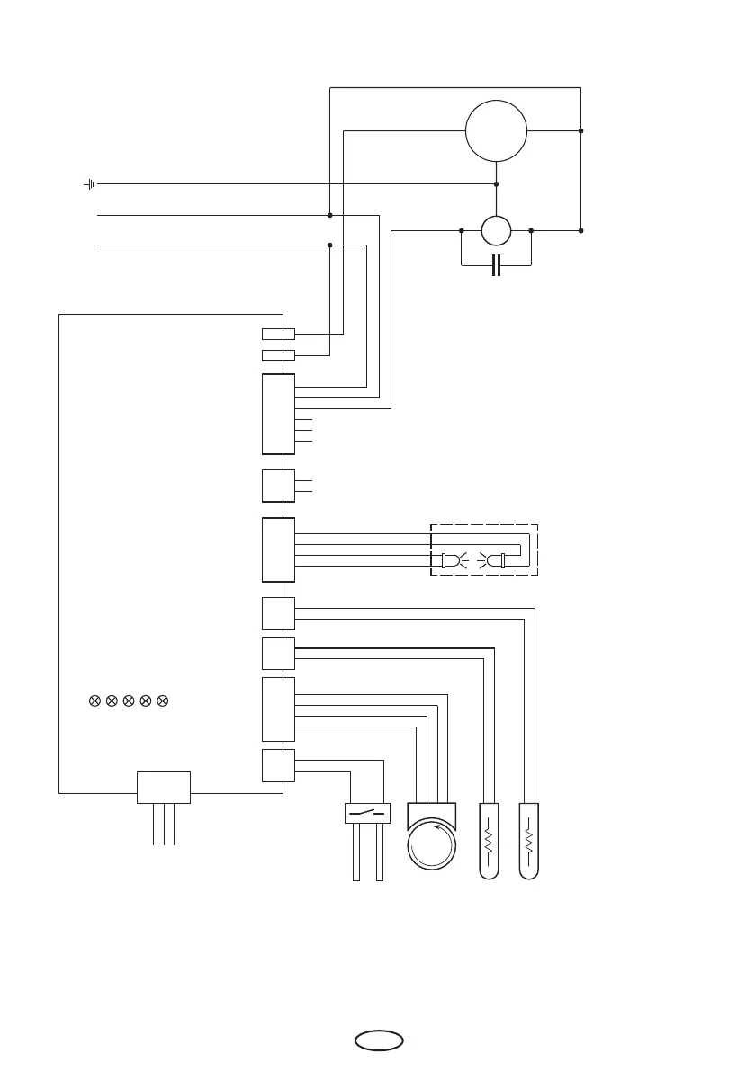
Схема подключений
Шнек
Компрессор
Датчик уровня
заполнения
Датчик вращения
Темп.
конденсатора
Темп.
испарителя
Датчик уровня
воды
Система управления
ледогенератором
Прибор работает
Достигнут макс. уровень заполнения
Нехватка воды
Слишком выс. темп. конденсатора
Слишком выс. темп. испарителя

Table of Contents