EasyManua.ls Logo

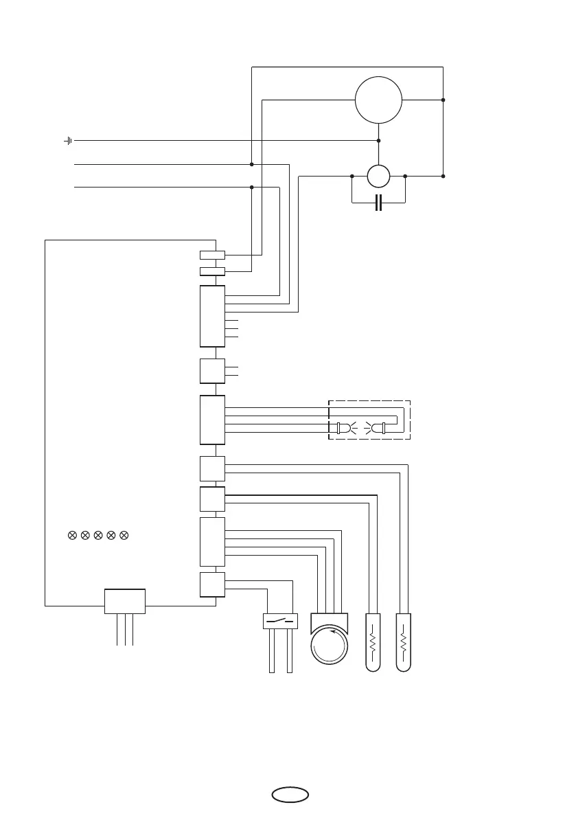
EOS E-Cool Wall B - Wiring Diagram

EOS E-Cool Wall B
Print Icon
To Next Page IconTo Next Page
To Next Page IconTo Next Page
To Previous Page IconTo Previous Page
To Previous Page IconTo Previous Page
Loading...
37
GB
M1
1~
M
1~
CN1 CN2 CN3 CN4 CN5 CN6
Power
A
B
L N
GR
YE
GN
BL
BN
WH
BN
WH
BL
GN
YE
GR
6
5
4
3
2
1
GN
WH
230 V AC 50 Hz
CN7
TC2
TC1
RT1
WS1
OP1
Wiring diagram
Screw
Compressor
Level sensor
Shaft encoder
Temp.
Condenser
Temp.
Vaporizer
Water level-
probe
Ice machine controller
Unit running
Fill level at maximum
Water low
Condenser temp. too high
Vaporizer temp. too high

Table of Contents