EasyManua.ls Logo

ESAB MIGMASTER 250 - Page 43

ESAB MIGMASTER 250
64 pages
Print Icon
To Next Page IconTo Next Page
To Next Page IconTo Next Page
To Previous Page IconTo Previous Page
To Previous Page IconTo Previous Page
Loading...
43
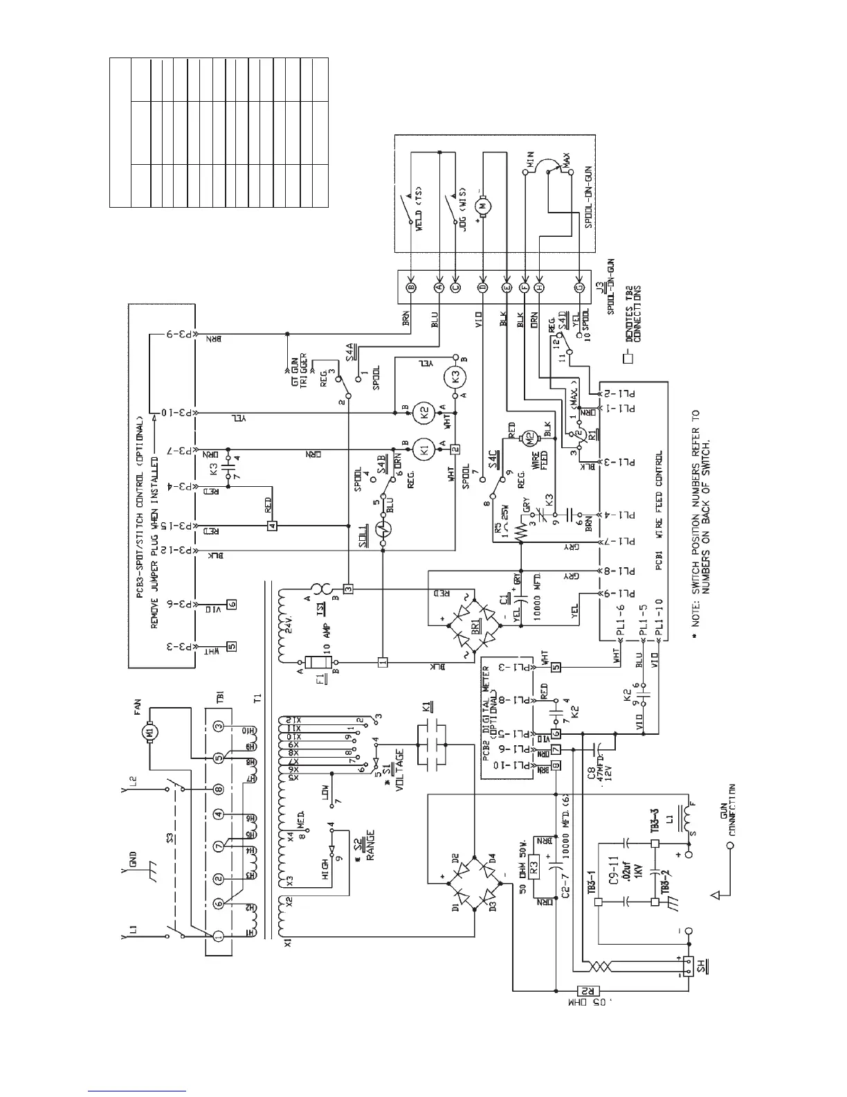
Figure 5.2 - Schematic Migmaster 250 for 208/230/380/400/460/575 V. Model
NOTE: Recent modications to the power source may not be reected in this schematic. For up-to-date information on your model, refer to the schematic on the inside cover of the power source or contact the
factory.
D-33310-C
PRIMARY VOLTAGE
CONNECTION CHART
NO. OF
VOLTAGE CONNECTION STRIPS
1 - 2 1
208 6 - 7 1
7 - 8 FLEX
1 - 2 1
230 6 - 7 1
5 - 8 FLEX
380 3 - 7 2
4 - 8 FLEX
400 2 - 6 2
7 - 8 FLEX
460 2 - 6 2
4 - 8 FLEX
575 2 - 3 2
4 - 8 FLEX

Other manuals for ESAB MIGMASTER 250

Related product manuals