EasyManua.ls Logo

ESAB MIGMASTER 250 - Page 45

ESAB MIGMASTER 250
64 pages
Print Icon
To Next Page IconTo Next Page
To Next Page IconTo Next Page
To Previous Page IconTo Previous Page
To Previous Page IconTo Previous Page
Loading...
45
D-33311-D
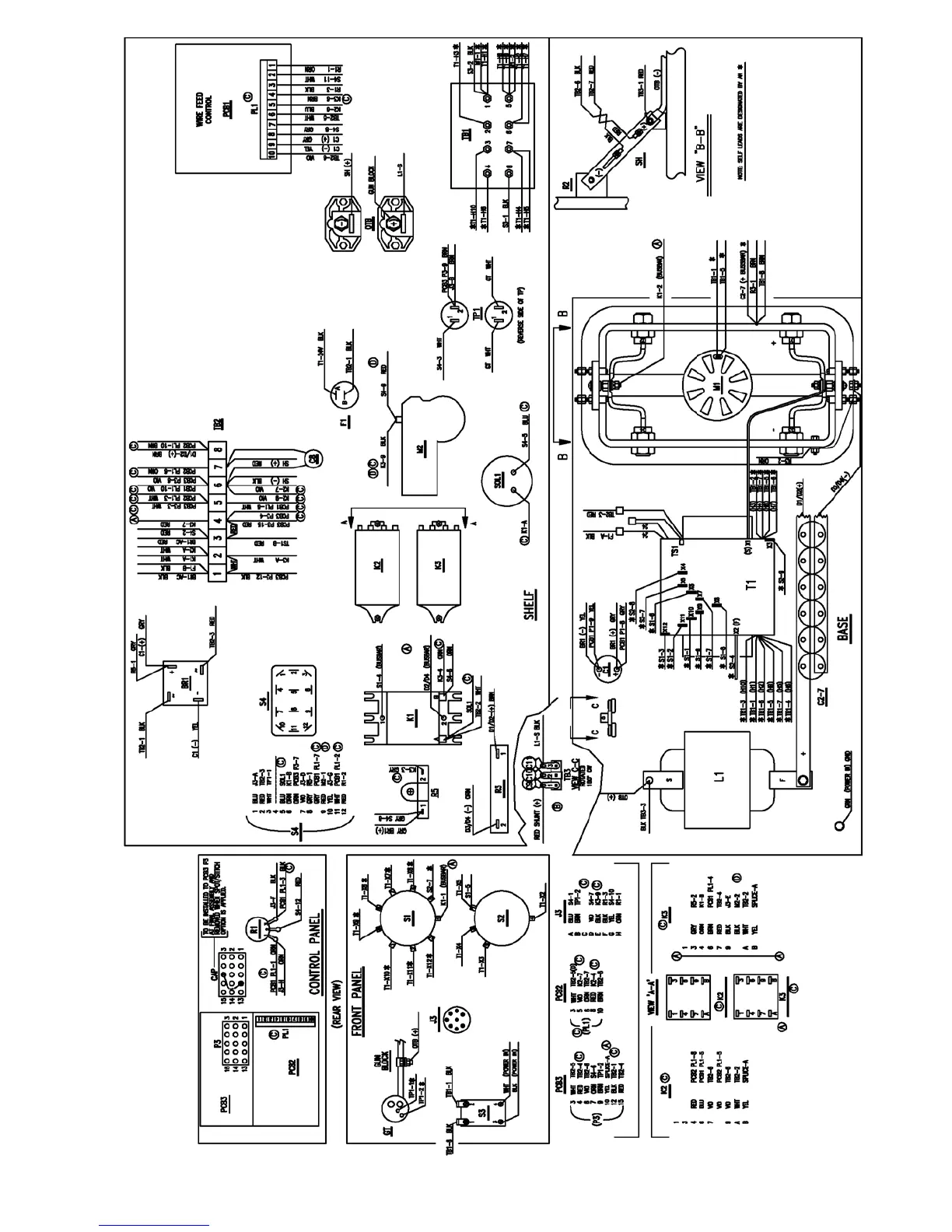
Figure 5.4 - Wiring Migmaster 250 for 208/230/380/400/460/575 V. Model

Other manuals for ESAB MIGMASTER 250

Related product manuals