EasyManua.ls Logo

EST LSRA - Page 27

EST LSRA
92 pages
Print Icon
To Next Page IconTo Next Page
To Next Page IconTo Next Page
To Previous Page IconTo Previous Page
To Previous Page IconTo Previous Page
Loading...
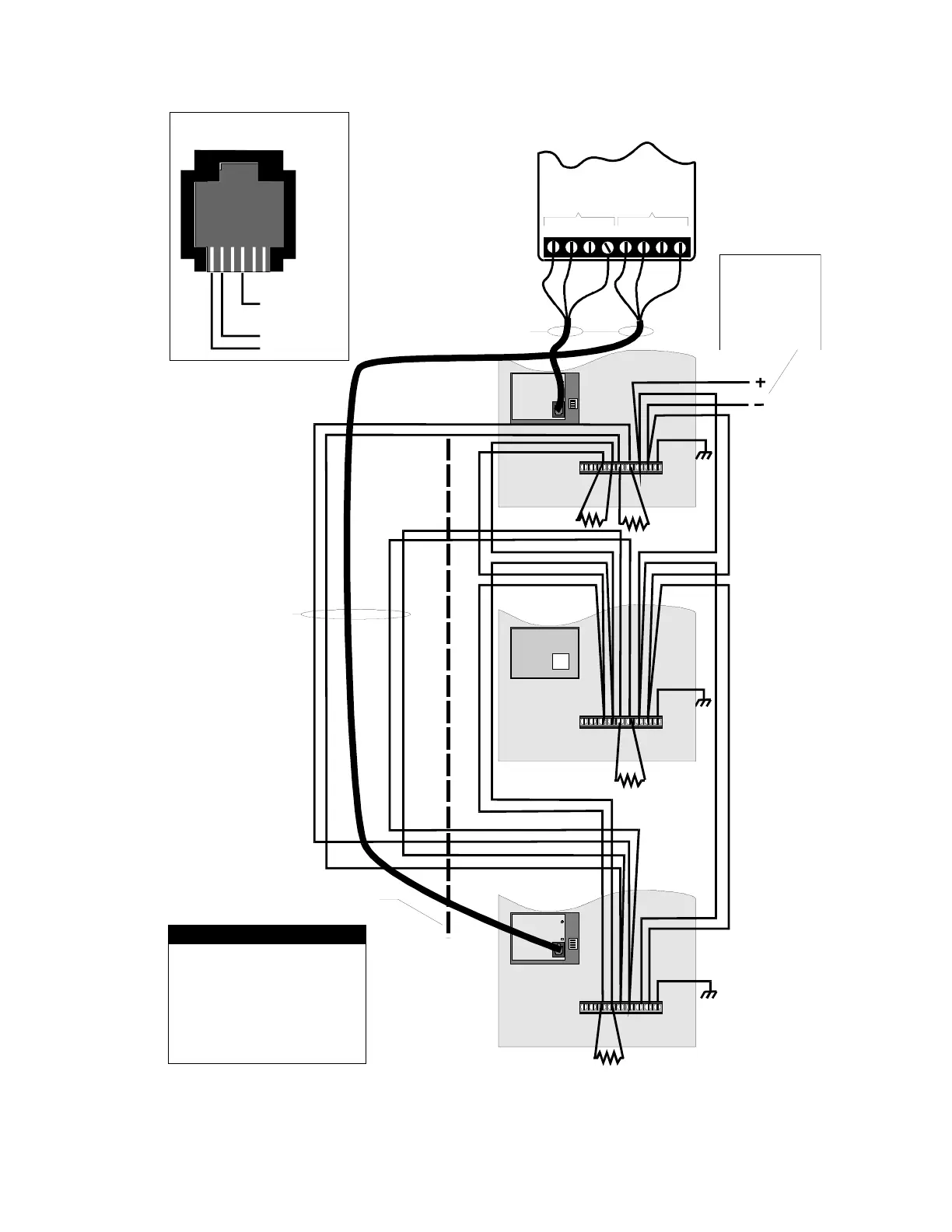
Installation
LSRA(-C)
1 2 345678 9
(REAR VIEW)
TB1
LSRA(-C)
1 2 345678 9
(REAR VIEW)
TB1
LSRA(-C)
1 2 345678 9
(REAR VIEW)
TB1
Wiring required for
Class A circuits only
RS-232 format communications
50ft (15.2M) max cable length.
Provide physical separation between
two wire bundles to ensure network
survivability
[XMDN-014.CDR]
CH A CH B
TTRT/R T/RRCC
FCOM-232
(INSTALLED IN DCPU)
RED
RED
YEL
YEL
WHT
WHT
1
NOTES
ALL WIRING SUPERVISED AND
POWER LIMITED.
2. ROUTE POWER LIMITED WIRING
SEPARATE AND AWAY FROM NON-
POWER LIMITED WIRING.
3. ALL WIRING 18 AWG, TWISTED.
4. UL LISTED 100 OHM EOL RESISTOR
(P/N 260071 or EOL-100) REQUIRED AT
PHYSICAL END OF RS-485 WIRING.
White (com)
Ye l low (R x)
Red (Tx)
NC
Top View, RJ11
on LSRA-232
NC
24 VDC FROM:
APS-4B(-220)
APS-8B
PS4B(-220)
PS8B
SIGA-APS
Figure Chapter 3-6: Class A FCC/DCPU Printer Port Wiring
LSRA Installation, Operation, Maintenance, and Configuration Manual 3.9
firealarmresources.com