EasyManua.ls Logo

Et system LAB-HP/E Series - Interface Reconfiguration; RS485 Interface

Et system LAB-HP/E Series
41 pages
Print Icon
To Next Page IconTo Next Page
To Next Page IconTo Next Page
To Previous Page IconTo Previous Page
To Previous Page IconTo Previous Page
Loading...
Ext. Control: Computer
ET System electronic GmbH 21
Table: Error messages
D2
D1
D0
Error
0
0
1
Syntax
0
1
0
Command
0
1
1
Range
1
0
0
Unit
1
0
1
Hardware
1
1
0
Read
If echo is on, the interface confirms each incoming character by sending the same character back to the sender. The
interface parameters can be adjusted via software and the command <PCx>. These settings can be saved with the
command <SS>.
Interface Reconfiguration
In case, the user has forgotten the active setup, there are two ways of reconfiguring the interface:
sending the command <PCx> from one of the other interfaces
using the display to configure the interface Interface Parameters
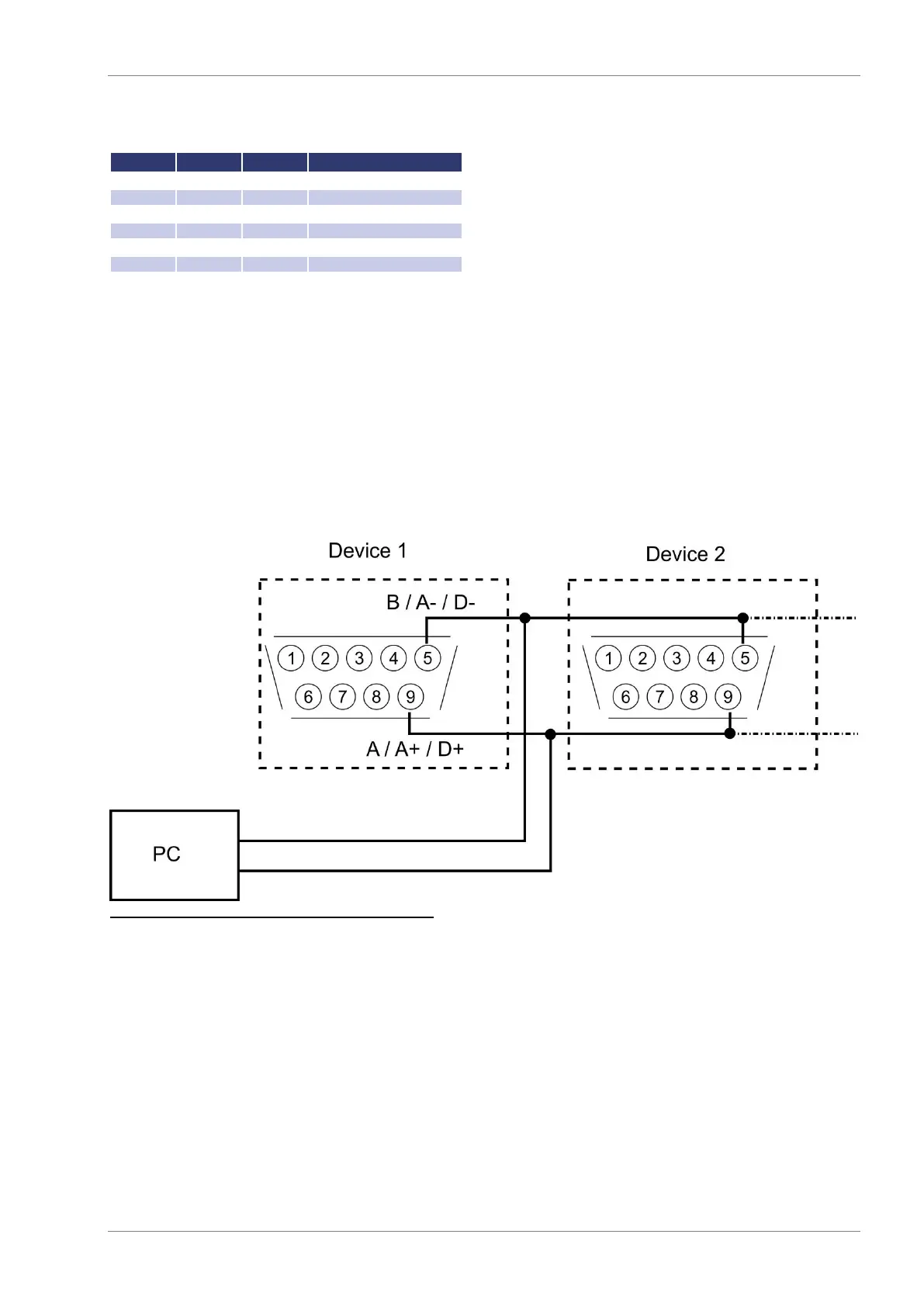
RS485 INTERFACE (OPTION)
The interface works with the following parameters:
Baud rate:
1200, 2400, 4800, 9600, 14400, 19200, 38400, 57600, 62500, 115200
Parity:
O = Odd = uneven parity
E = Even = even parity
N = None = no parity bit
Number of data bits:
7 or 8
Number of stop bits:
1 or 2
Timeout:
0-100 ms
A timeout is the time between receipt and sending of a message. The connected device is selected by entering the
command and placing the number of the device and ‘#’ before it. When using the word ‚ALL‘ instead of a number, the
following command will be executed by all connected devices (e. g. #1,ID; #22,GTR, #ALL,GTL).

Table of Contents