EasyManua.ls Logo

ETQ PG30P11 - Parts Diagram

ETQ PG30P11
84 pages
Print Icon
To Next Page IconTo Next Page
To Next Page IconTo Next Page
To Previous Page IconTo Previous Page
To Previous Page IconTo Previous Page
Loading...
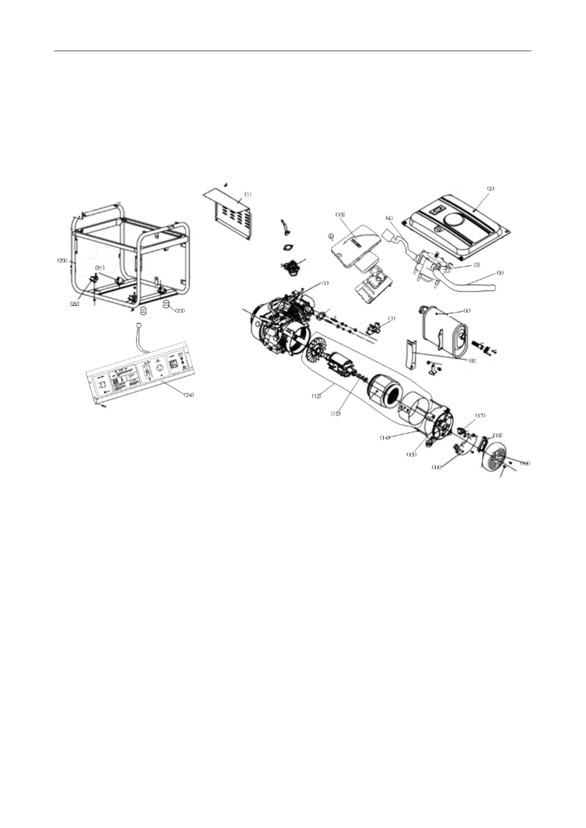
Parts Diagram
(25)
(9)

Table of Contents

Related product manuals