EasyManua.ls Logo

Evco EVDRIVE03 - Example Wiring and Guidelines

Evco EVDRIVE03
76 pages
Print Icon
To Next Page IconTo Next Page
To Next Page IconTo Next Page
To Previous Page IconTo Previous Page
To Previous Page IconTo Previous Page
Loading...
EVCO S.p.A. EVDRIVE03 | User manual ver. 3.7 | Code 144EPDE374
Page 15 of 76
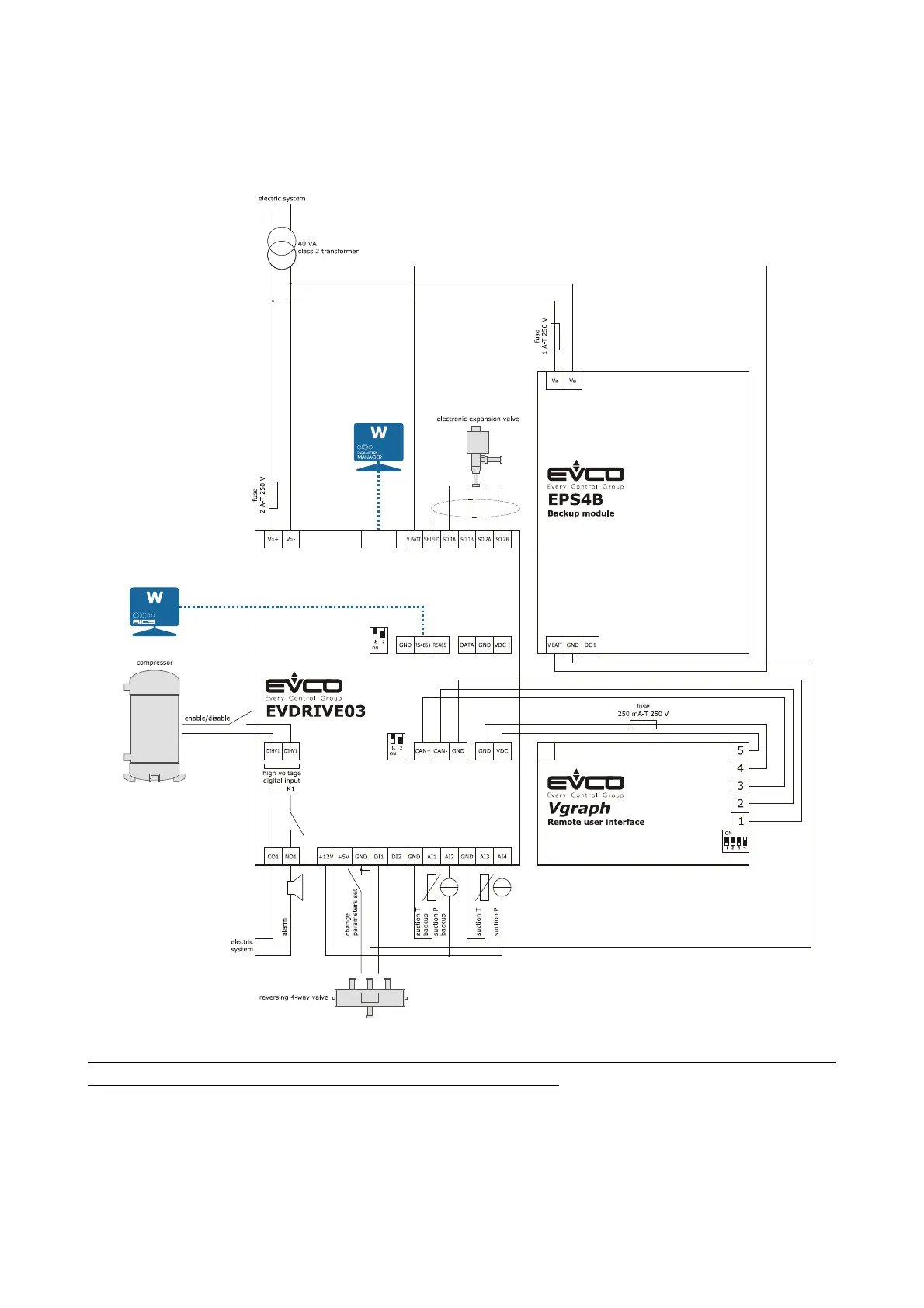
4.2 Example of electrical connection
The following drawing shows an example of electrical connection of EVDRIVE03.
Please note the power supply of EVDRIVE03 and that of EPS4B are not isolated one another: it is
important to wire correctly the devices as indicated in the drawing.

Related product manuals