EasyManua.ls Logo

Evinrude E-TEC E115DPXSCR - Electric Start Circuit

Evinrude E-TEC E115DPXSCR
445 pages
Print Icon
To Next Page IconTo Next Page
To Next Page IconTo Next Page
To Previous Page IconTo Previous Page
To Previous Page IconTo Previous Page
Loading...
ELECTRICAL AND IGNITION
ELECTRIC START CIRCUIT
139
7
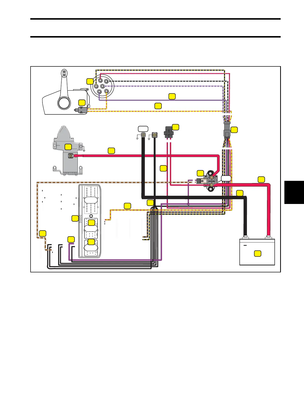
ELECTRIC START CIRCUIT
Start Circuit Diagram
1. Marine battery 10. 26-pin J1-B EMM connector
2. RED wire (POS) 11. 34-pin J1-A EMM connector
3. BLACK wire (NEG) 12. Engine Management Module (EMM)
4. Starter solenoid 13. YELLOW/RED wire, start
5. Fuse (10 amp) 14. BROWN/WHITE wire, start signal
6. RED/PURPLE wire 15. Neutral Safety Switch (remote control)
7. 6-pin connectors 16. RED starter motor cable
8. Ignition switch 17. Electric starter motor
9. PURPLE wire (switched B+)
20 21 22 23 24 25 26
14 15 16 17 18 19
8 9 10 11 12 13
1 2 3 4 5 6 7
18 19 20 21 22 23 24 25
26 27 28 29 30 31 32 33 34
10 11 12 13 14 15 16 17
20 21 22 23 24 25 26 27 28 29
11 12 13 14 15 16 17 18 19
1 2 3 4 5 6 7 8 9 10
1 2 3 4 5 6 7 8 9
+
+
J2
J1-A
J1-B
M
A
S
C
M
B
123456
2
5341
6
A
B
FUSE
BA
004112
NEG
8
13
15
9
5
10
9
1
2
3
4
6
11
12
13
16
3
14
17
7
POS

Table of Contents

Related product manuals