EasyManua.ls Logo

Evolution Aqua evoUV Series - evo110 Mounting and Plumbing Diagrams; evo110 Pump;Gravity Fed Setups

Evolution Aqua evoUV Series
24 pages
Print Icon
To Next Page IconTo Next Page
To Next Page IconTo Next Page
To Previous Page IconTo Previous Page
To Previous Page IconTo Previous Page
Loading...
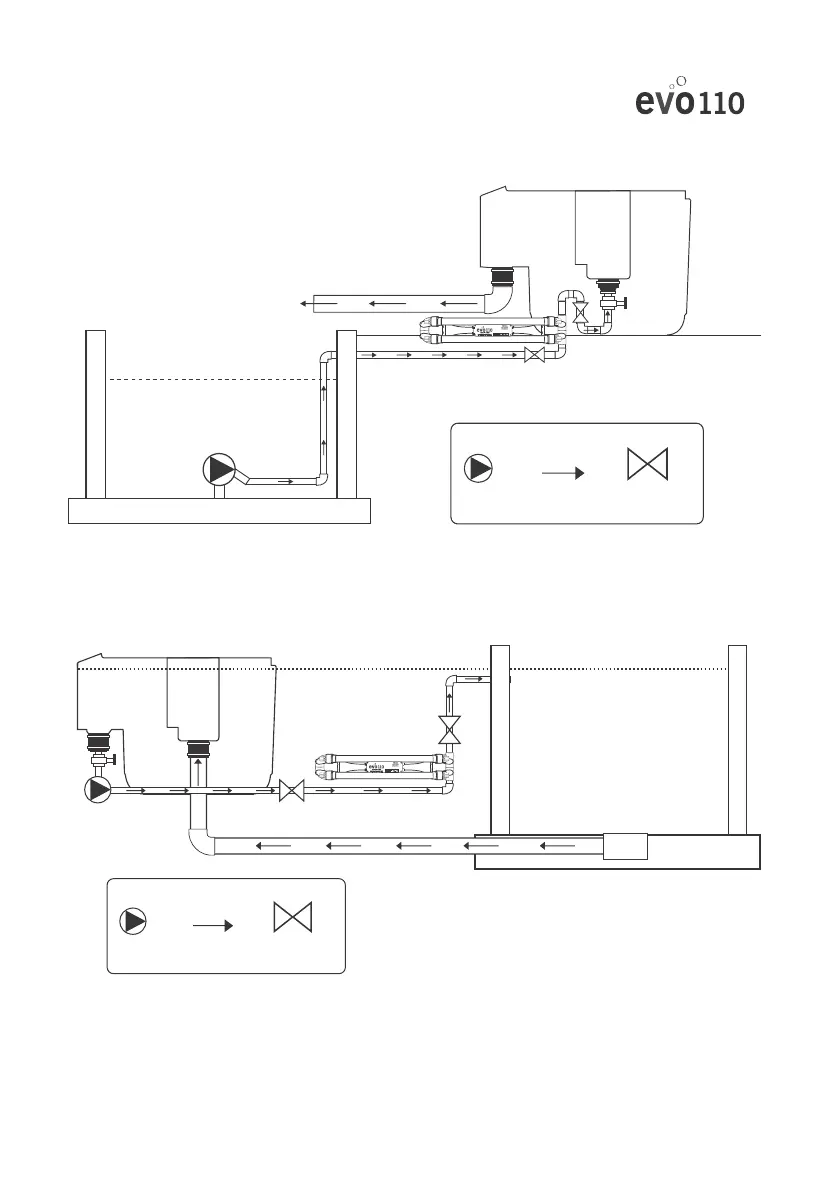
POND
FILTER
POND
WATER
PUMP
PUMP
SYMBOL KEY:
DIRECTION OF
WATER FLOW
BALL VALVE /
SERVICE VALVE
POND
WATER LEVEL
PUMP
SYMBOL KEY:
DIRECTION OF
WATER FLOW
BALL VALVE /
SERVICE VALVE
POND
FILTER
WATER
PUMP
EVO 110 CONNECTION TO PIPEWORK
Gravity Fed Installation
Pump Fed Installation
PLEASE NOTE:
On Gravity Fed systems it is recommended to install a ball valve either side of the
evoUV for maintenance.
14

Related product manuals