EasyManua.ls Logo

EVPoint EV22 Series - Page 18

Default Icon
49 pages
Print Icon
To Next Page IconTo Next Page
To Next Page IconTo Next Page
To Previous Page IconTo Previous Page
To Previous Page IconTo Previous Page
Loading...
page 18 of 49
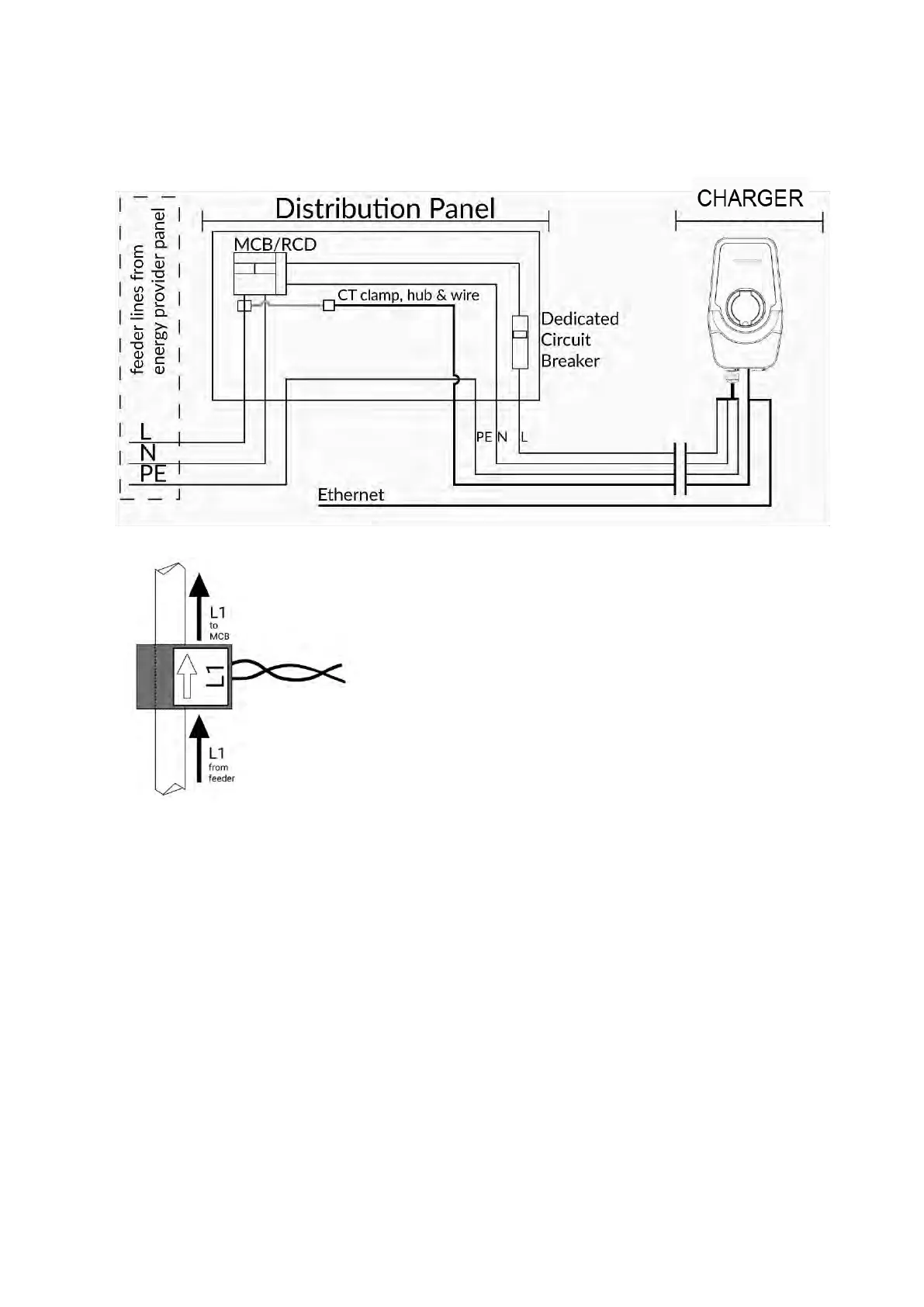
Overall system wiring diagram: 1-phase with CT clamp
Mounting and orientation of current transformers (CTs) on the
incoming supply cables of the electrical mains installation.
Observe arrow directions and line markings!