EasyManua.ls Logo

Excess 11 - Page 83

Default Icon
200 pages
Print Icon
To Next Page IconTo Next Page
To Next Page IconTo Next Page
To Previous Page IconTo Previous Page
To Previous Page IconTo Previous Page
Loading...
209173 RCD-2
Index A
83
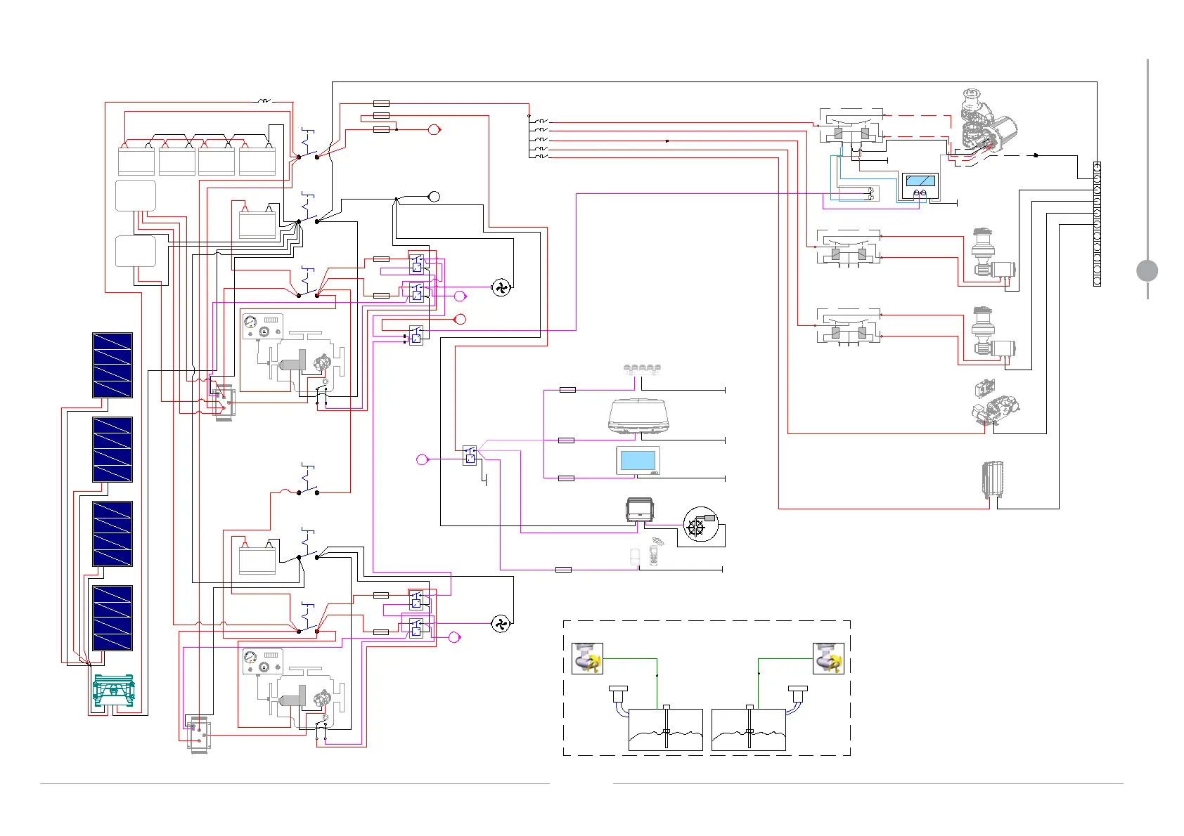
DIAGRAM OF LAYOUT
-
+
-
+
-
+
-
+
-
+
30
40
0
10
20
-
+
30
40
0
10
20
40A
100A
$3 &
$3&
3A
10A
3A
10A
;$
7pOpFRPDQGHJXLQGHDX
FRPSWHXUGHFKDLQHJXLQGHDX
;%
5(/$,6'(:,1&+
&200$1'(0,&52&285$17
400A
5A
7A
2A
AN4 6 ²
AN8 6 ²
AN5 6²
AN10 1 ²
;/
REP1 1.5²
APC10 1.5²
;8
M2 95²
M2 95²
CHMBD 16²
CHS1 16²
CHMTD 16²
CH01 16²
RSBD 3
RSTD 35²
S2 70²
S2 70²
S1 95²
PS10 16²
S1 95²
S3 70²
S3 70²
S4 70²
S4 70²
PS11 16²
PS10 16²
CH02 16²
CHS2 1
RMTD 25²
REP2 1.5²
AT2 35 ²
DM2 95²
DM2 70²
REP2 1.5²
APC20 1.5²
APC20 1.5²
VM20 2.5²
M1 95²
M1 95²
DM1 70²
DM1 95²
M41 50²
M41 95²
M4 95²
RMBD 25²
AT1 35²
REP1 1.5²
VM10 2.5²
APC10 1.
APC10 1.5²
APC1 1.5²
APC20 1.5²
APC10 1.5²
AN1 6²
A121 9
G4 2.5 ²
APC2 1.5²
APC20 1.5²
APC20 1.5²
APC10 1.5²
G4 2.5 ²
VM20 2.5²
VM20 2.5²
APC20 1.5²
APC20 1.
A120 95²
G2 70²
A120 95²
CONV1 70²
W1 95²
G4c 2,5²
G4 2,
G4C 1,
G4C 2,
G4C 2,
G4 2,5²
G4 2,
G4 2,
G5 1,5²
G5 1,5²
G2 70²
W1 95²
W20 95²
W12 5
W13 5
D1 50²
AN10 1 ²
AN1 6 ²
AN1 6 ²
AN4 6 ²
AN5 6 ²
AN8 6²
AN2 6²
AN2 6²
AN2 6²
AN2 6²
VM10 2.5²
VM10 2.5²
AN3 6 ²
5A
D1 50²
AN3 6 ²
W21 95²
;)
;)
W20 9
5(/$,6'(:,1&+
&200$1'(0,&52&285$17
W22 5
W23 5
CONV1 70²
A10 3
A11 3
A10 35²
A11 35 ²
M20 6²
M21 6²
M11 6²
M10 6²
Electrical system
8

Table of Contents