EasyManua.ls Logo

Exmark Lazer LZE - Page 82

Exmark Lazer LZE
96 pages
Print Icon
To Next Page IconTo Next Page
To Next Page IconTo Next Page
To Previous Page IconTo Previous Page
To Previous Page IconTo Previous Page
Loading...
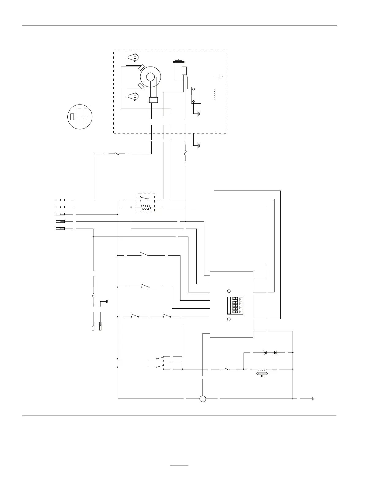
Schematics
ElectricalLogicSchematicKohlerCarburetedModels
BN
BN
BU
BK
Y
W
T
PK
BN
PK
OR
GN
S R
PK PK
PK
LTGR
GY
GY
PK
V
BN V
OR
GN
OR
R
PK
R
BK
GND
PK
BK
BN
BN
BK PK
BK
GND
15A
F4
GY
R
IBA
W
V
BU
V
V
BK
+
S
-
FUEL SENDER
10A
F3
(BRAKE)
SW6
PKOR R
F2
25A
PTO
CLUTCH
BU
1
2
5
4
7
8
25A
F1
(SEAT)
SW7
2
3
5
4
1
K2
(START RELAY)
TVS DIODE
U2
(NEUT_R)
SW5
B+
GND-S/D
REG
START
FUEL
SOLENOID
AC
STARTER
+
-
AC
IGNITION
MODULES
SPARK PLUGSPARK PLUG
KOHLER CARB
(NEUT_L)
SW4
12
B+
10
KEY_S
9
KEY_A
4
SEAT
11
BRAKE
2
NEUTRAL
3
PTO
5
FUEL
1
START_RELAY
7
MAGNETO
6
FUEL_SOLENOID
8
GROUND
HOUR METER
2
R A
I
A
4
7
1 3
6
5
A
3
SW1
1
B
B
C
B
8
24 5
(IGNITION)
C
F
NC
A
B
D
KEY SW
OPTIONAL
A
CCESSORIES
E
S
Ignition switch terminal locations
viewed from back
OFF = no connections
ON = BRIA
START = BRIS
BK = BLACK
BN = BROWN
BU = BLUE
GN = GREEN
GY = GREY
LT GR = LIGHT GREEN
OR = ORANGE
PK = PINK
R = RED
T = TAN
V = VIOLET
W = WHITE
G032373
(BRAKE
OFF)
(PTO SWITCH)
(PTO OFF)
SW2
(OPERATOR
NOT IN SEAT)
(LH HYDRO
IN DRIVE)
(RH HYDRO
IN DRIVE)
g032373
82

Table of Contents