EasyManua.ls Logo

Exmark Lazer LZE - Page 90

Exmark Lazer LZE
96 pages
Print Icon
To Next Page IconTo Next Page
To Next Page IconTo Next Page
To Previous Page IconTo Previous Page
To Previous Page IconTo Previous Page
Loading...
Schematics
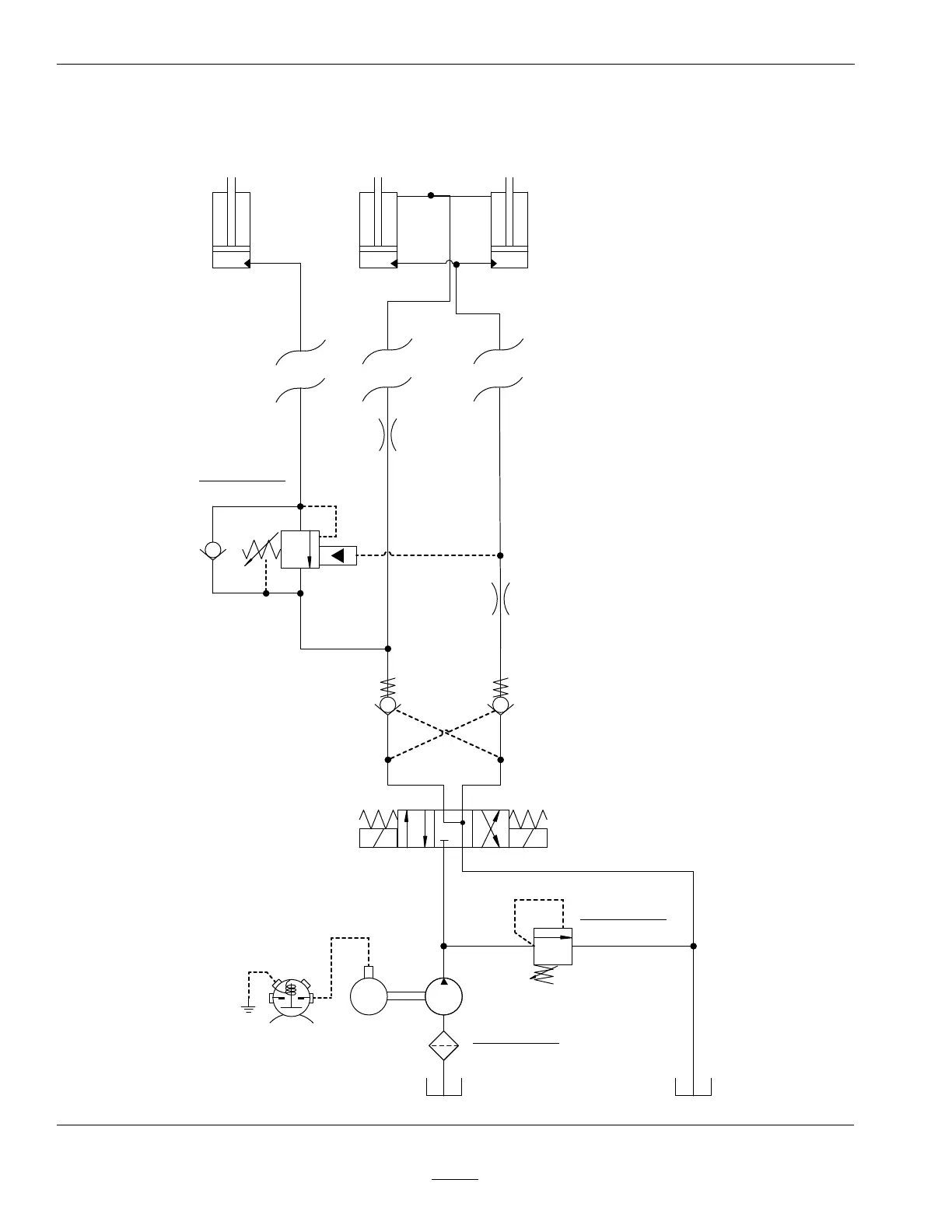
WingDeckLiftHydraulicDiagram
M
0.35 CC/REV
0.022 IN
3
/REV
221 BAR ±7
3200 PSI ±100
OR2
.020
OR1
.020
PORTS “A”, “B”, “C”
7/16-20 UNF
(#4 SAE)
FOLD
CYLINDERS
DECK LIFT
CYLINDER
2
3
4:1
RATIO
1
ABC
345 BAR ±7
5000 PSI ±100
g299104
90

Table of Contents

Related product manuals