EasyManua.ls Logo

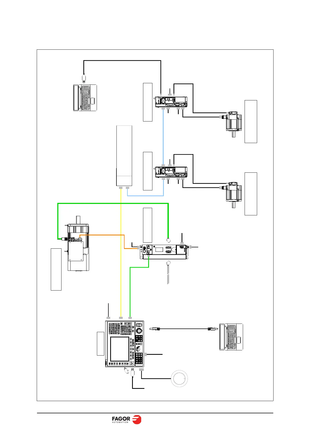
Fagor BCS3D - General Diagram with Spindle and FBM3 G Servomotors · 400 Vac

Fagor BCS3D
52 pages
Print Icon
To Next Page IconTo Next Page
To Next Page IconTo Next Page
To Previous Page IconTo Previous Page
To Previous Page IconTo Previous Page
Loading...
6|52 - BCS3D EtherCAT Beta EtherCAT Servo 3 Drive series | Ref.2403
Installation Manual
General diagram with spindle and FBM3G servomotors · 400 Vac ·
CNCelite
86%
+$1':((/
4&&'z);;
)0[[[[&[[[
)%0*
z
'/$[[
X5
/$3723
/$3723
6SLQGOH&RPSDFW'ULYH
%&6'z'($)6
)HHG$[LV'ULYH
&1
6SLQGOH0RWRU
)HHG$[LV0RWRU
&1,1
&1287
)%0*
z
'/$[[
)HHG$[LV0RWRU
B10
6(5&26,,,
&1,1
PP
B10B
B64
0LQL86%
7\SH%SOXJ
86%
7\SH$SOXJ
&RPPXQLFDWLRQ86%FDEOH
03&)%0*1[[[[
z
FDEOHIRUEUDNHOHVVPRWRU
03&)%0*%[[[[
z
FDEOHIRUPRWRUZLWKEUDNH
03&)%0*1[[[[
z
FDEOHIRUEUDNHOHVVPRWRU
03&)%0*%[[[[
z
FDEOHIRUPRWRUZLWKEUDNH
E21B
'LUHFW)HHGEDFN
03&[6
z
0
PRWRUSRZHUFDEOH
9OLQHSK9DF
IOLQH+]
X78
E21A
0RWRU)HHGEDFN
4&((&
z
FDEOHIRU
)0[[&&[([
4&,(&'
z
FDEOHIRU
)0$[6[&[([)0$[6&+6
A73
9OLQHVLQJOHSK9DF
IOLQH+]
X75
9GF
A22
&1
&1
&1,2V
((&)%0*$
z
HQFRGHUFDEOH
(&$7&$%/(
z
FDEOHP
4&)%&
z
FDEOH
(WKHU&$7
((&)%0*$
z
HQFRGHUFDEOH
P
P
P
P
P
(;7(51$/%5$.,1*
5(6,6725
4&)%&)/(;
z
FDEOH
P
P
H31B
(WKHUQHWFDEOH
5-
5-
X4
63,1'/((;7(51$/
(1&2'(5
%6&(&FDEOH
P
P
PD[OHQJWKP
9OLQHSK
9DF
IOLQH+]
9OLQHSK
9DF
IOLQH+]
5(*(1(5$7,9(5(6,6725 5(*(1(5$7,9(5(6,6725
RIOR-E-48I32O-FEEDBACK
P
%6&(&
z
FDEOH
(&$7&$%/()/(;
z
FDEOHP
%&6'z'($)6
)HHG$[LV'ULYH
&1,2V
IN
OUT
,23/&
z

z

z

z

z


Related product manuals