EasyManua.ls Logo

Fancom LM.250 - 7 Aansluitschemas; Klepstandterugmelding; Aansluiting 1 Fase

Default Icon
67 pages
Print Icon
To Next Page IconTo Next Page
To Next Page IconTo Next Page
To Previous Page IconTo Previous Page
To Previous Page IconTo Previous Page
Loading...
gNd
14
n
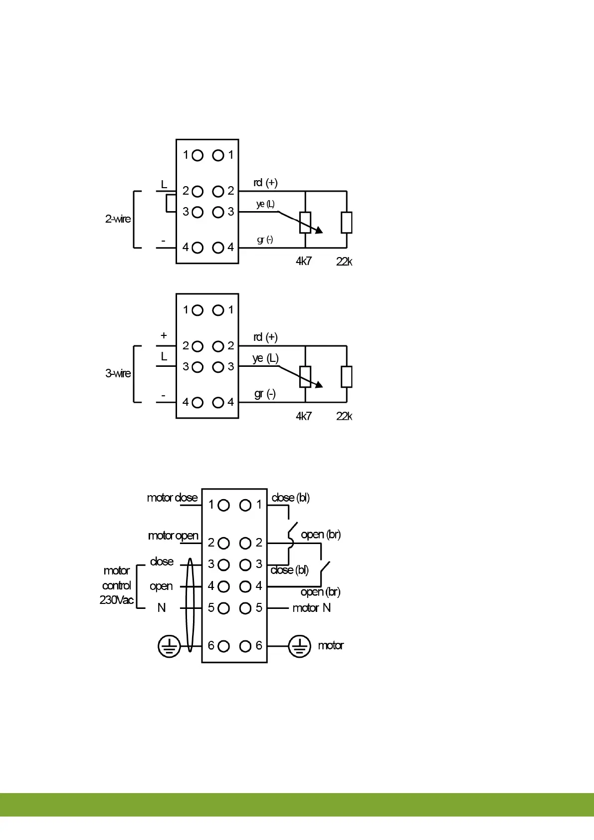
7. Aansluitschema’s
7.1 Klepstandterugmelding
7.2 Aansluiting 1 fase

Table of Contents