EasyManua.ls Logo

Fantech SER Series - Ser1504, Ser1504 N, Ser2004, Ser2004 N

Fantech SER Series
20 pages
Print Icon
To Next Page IconTo Next Page
To Next Page IconTo Next Page
To Previous Page IconTo Previous Page
To Previous Page IconTo Previous Page
Loading...
15
fantech
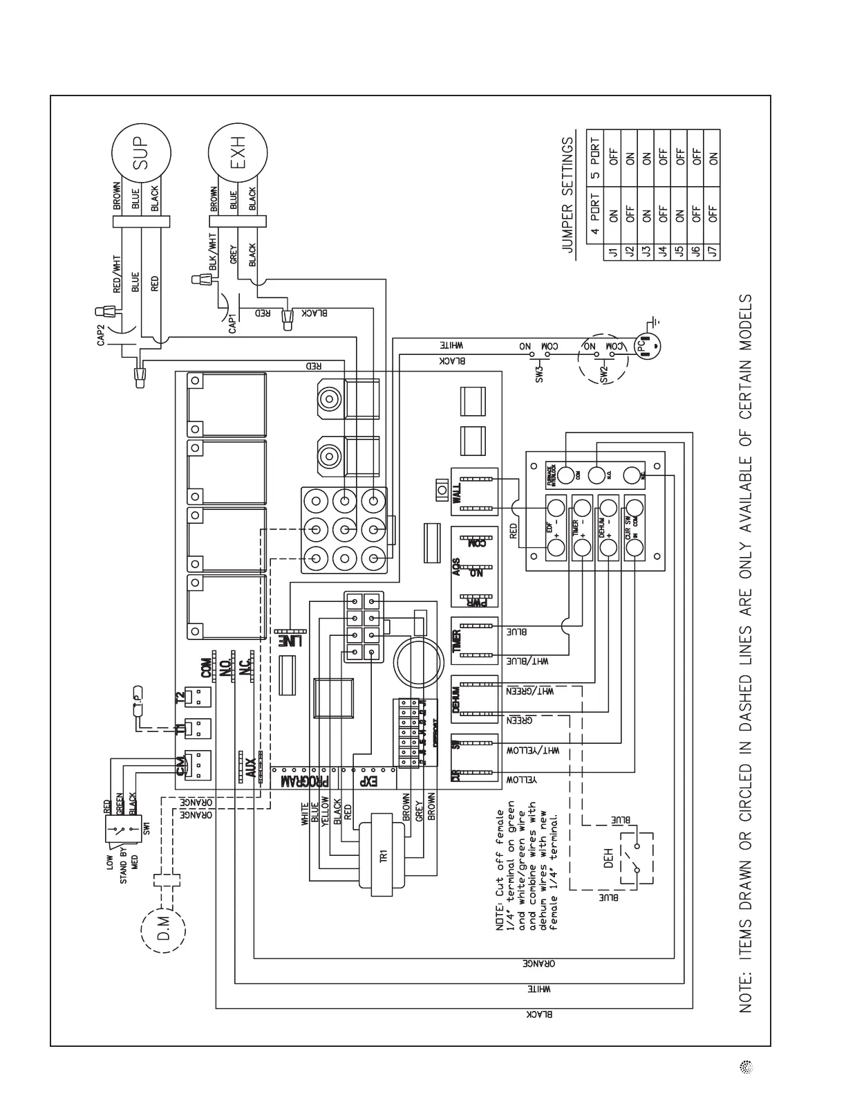
Wiring Diagram – SER1504, SER1504N, SER2004, SER2004N

Related product manuals