EasyManua.ls Logo

Fantech SER Series - Page 17

Fantech SER Series
20 pages
Print Icon
To Next Page IconTo Next Page
To Next Page IconTo Next Page
To Previous Page IconTo Previous Page
To Previous Page IconTo Previous Page
Loading...
17
fantech
W
R
G
C
Y
W
R G
Y
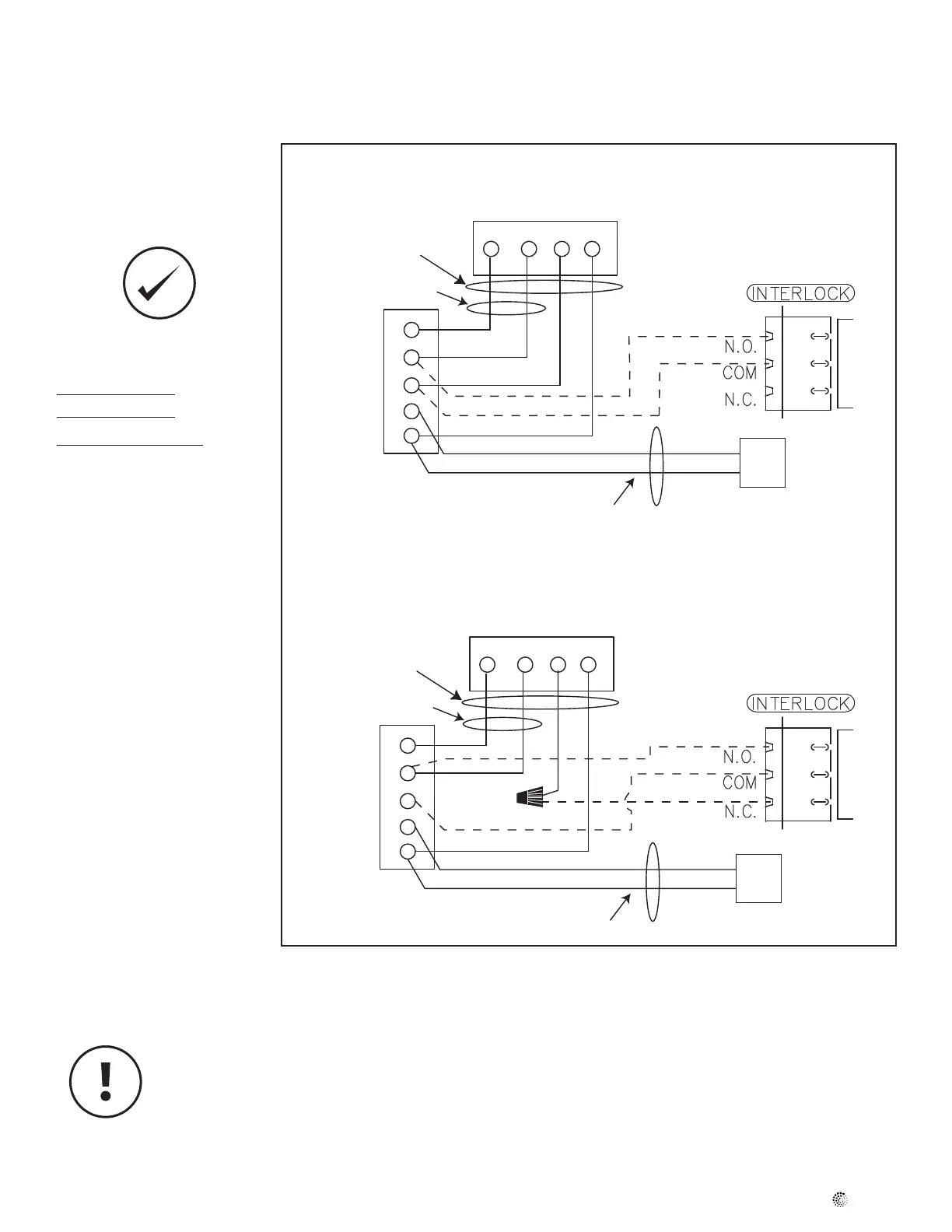
Standard Furnace Interlock Wiring
THERMOSTAT
TERMINALS
FURNACE
24-VOLT
TERMINAL BLOCK
FOUR
WIRE
TWO WIRE
heating only
TWO
WIRE
COOLING SYSTEM
W
R
G
C
Y
W
R G
Y
Alternate Furnace Interlock Wiring
THERMOSTAT
TERMINALS
FURNACE
24-VOLT
TERMINAL BLOCK
FOUR
WIRE
TWO WIRE
heating only
TWO
WIRE
COOLING SYSTEM
WIRE JOINT
Electrical connections (Cont'd)
ELECTRICAL
CONNECTION TO
FURNACE
FOR A FURNACE
CONNECTION TO
A COOLING SYSTEM:
On some older thermostats,
energizing the R and G terminals
at the furnace has the effect of
energizing Y at the thermostat
and thereby turning on the cooling
system. If you identify this type
of thermostat, you must use the
“Alternate Furnace Interlock Wiring”.
Standard Accessory Control Contact
Alternative Accessory Control Contact
Never connect a 120 volt AC circuit to the terminals of the accessory control contacts. Only use
the low voltage class 2 circuit of the furnace blower control.

Related product manuals