EasyManua.ls Logo

Fantech VHR150 - Système Partiellement Spécialisé

Fantech VHR150
44 pages
Print Icon
To Next Page IconTo Next Page
To Next Page IconTo Next Page
To Previous Page IconTo Previous Page
To Previous Page IconTo Previous Page
Loading...
26
fantech
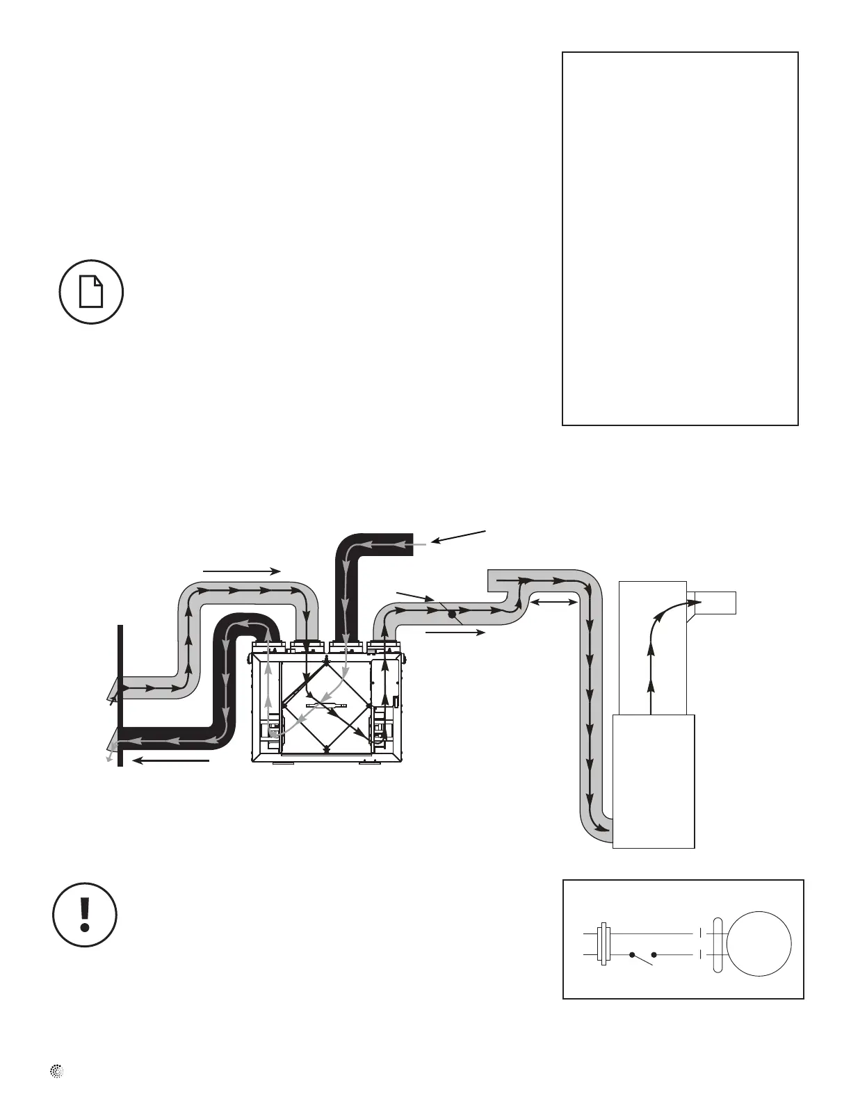
Conduits VRC/Fournaise pour Système partiellement spécialisé
EXEMPLES D'INSTALLATION (SUITE)
RACCORDEMENT DIRECT du FLUX D’AIR D’APPROVISIONNEMENT à la BOUCHE DE REPRISE
D’AIR DE LA FOURNAISE
(L’air vicié est aspiré à partir des endroits clés de la maison.)
SYSTÈME PARTIELLEMENT SPÉCIALISÉ
Installation suggérée pour:
Fournaise centrale (unité
de traitement d’air, air
climatisé central)
Lorsque l’installation des
endroits habitable n’est
pas possible ou pratique,
dispendieux ou lorsque
l’unité de traitement d’air
fonctionnera toute l’année.
Avantages: Conditionne l’air
frais avant de la distribuer
dans la maison
1. Si la ventilation du VRC doit être assurée, il peut être nécessaire de faire
fonctionner le ventilateur de la fournaise. La fournaise devrait être réglée
pour fonctionner continuellement ou en synchronisme avec le VRC.
2. Air vicié est aspiré à des endroits clés de la maison (salle de bain,
cuisine, buanderie).
3. L’air frais est fourni au plénum de retour d’air de la fournaise.
4. En raison de l’écart de pression entre le VRC et l’équipement auquel il est
raccordé, le débit d’air du VRC doit être équilibré sur place au moyen de
la procédure dans la section "équilibrage du débit d’air".
Air vicié provenant de l'intérieur
*L’appareil est équilibré à vitesse normale et pendant
que le ventilateur de la fournaise est en marche.
.
Extérieur
Air frais
distribué à
l'intérieur
1 m (3pi)
min.
recommendeé
Retour
d'air frais
Air vicié
évacué à
l'extérieur
Air frais provenant
de l'extérieur
Fournaise à
air pulsé
Les ventilateurs récupérateurs de chaleur (VRC) de Fantech qui utilisent un arrêt du
ventilateur d'alimentation pour la prévention de gel ne comprennent pas un volet motorisé
pour l'air extérieur. Si vous utilisez une installation simpliée, c'est à dire relier de
conduit d'alimentation d'air du VRC à l'aire du conduit de retour d'une fournaise, le VRC
doit fonctionner en continu. Lorsque le VRC est éteint, pas d'air d'évacuation chaud circule
à travers le VRC mais le ventilateur da fournaise continuera à aspirer l'air extérieur direc-
tement dans la fournaise. S'il fait froid dehors, l'air froid sera introduit, sans réchauffage,
directement dans la fournaise.
Si le VRC est installé de telle sorte que le propriétaire peut désactiver le VRC au cours de
l'hiver, nous vous recommandons d'installer un volet motorisé entre l'apport d'air du VRC
et le retour d'air du conduit de la fournaise qui se ferme lorsque le VRC ne fonctionne pas.
Voir le schéma de câblage (gure 1). Vous pouvez aussi choisir d'utiliser une VRC Fantech
qui utilise un dégivrage de recirculation qui intègre un volet d'air extérieur.
Damper
Motor
24 VAC Transformer
COM
NO
VRC Furnace interlock
Voir page 36.
24V
120V
Figure 1
* Le transformeur et le moteur du volet ne sont pas inclus.
Volet motorisé

Related product manuals