EasyManua.ls Logo

Fantech VHR150 - Installation Simplifiée; Option 1

Fantech VHR150
44 pages
Print Icon
To Next Page IconTo Next Page
To Next Page IconTo Next Page
To Previous Page IconTo Previous Page
To Previous Page IconTo Previous Page
Loading...
27
fantech
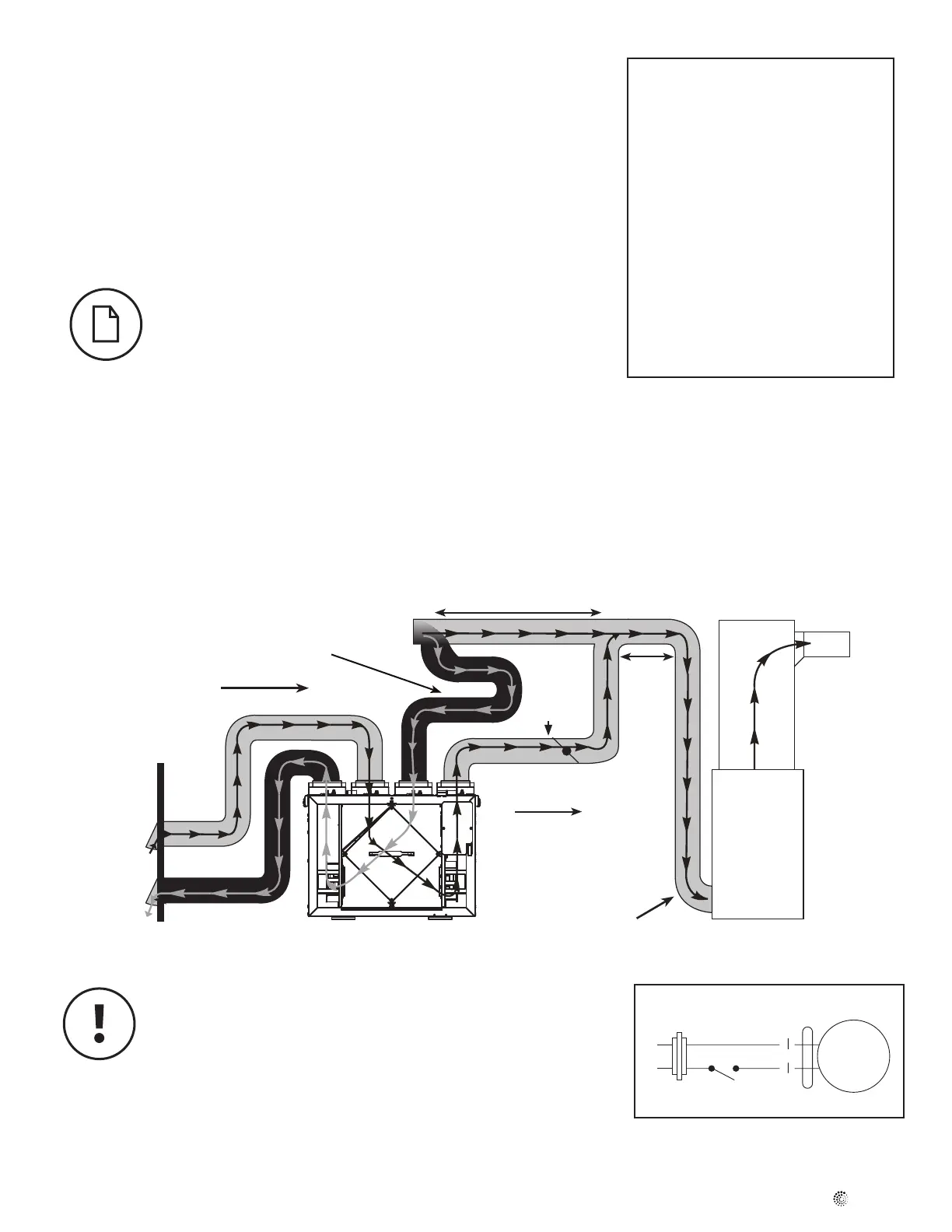
Air vicié provenant de l'intérieur
Extérieur
Air frais distribué à
l'intérieur
1 m (3pi
3po) min.
recom-
mandé
Retour d'air
frais
Conduits VRC/Fournaise pour Installation simplifiée
EXEMPLES D'INSTALLATION (SUITE)
RACCORDEMENT DIRECT du FLUX D’AIR D’APPROVISIONNEMENT et du FLUX D’AIR ÉVACUÉ
DU VRC à la BOUCHE D’AIR DE LA FOURNAISE
INSTALLATION SIMPLIFIÉE (BONNE)
OPTION 1
Installation suggérée pour:
Lorsque la salle de bain
et la cuisine ont déjà un
système d’échappement
Peut convenir pour la
modernisation
Avantages: Type d’installation
le moins dispendieux à mettre
en place
1. Si la ventilation du VRC doit être assurée, il peut être nécessaire de faire
fonctionner le ventilateur de la fournaise. La fournaise devrait être réglée
pour fonctionner continuellement ou en synchronisme avec le VRC.
2. Une séparation minimum de 1m (3pi 3po) est recommandée entre les
deux connexions directes.
3. Afin d’éviter l’évacuation d’air frais, la connexion d’évacuation du VRC devrait
être située en amont de la connexion d’approvisionnement du VRC lorsqu’on
les branche à la bouche de reprise d’air de la fournaise.
4. En raison de l’écart de pression entre le VRC et l’équipement auquel il est
raccordé, le débit d’air du VRC doit être équilibré sur place au moyen de la
procédure détaillée dans la section " Équilibrage du débit d’air".
Air vicié évacué
à l'extérieur
Air frais provenant
de l'extérieur
*L’appareil est équilibré à vitesse normale et pendant que le
ventilateur de la fournaise est en marche.
Fournaise à
air pulsé
Les ventilateurs récupérateurs de chaleur (VRC) de Fantech qui utilisent un arrêt du
ventilateur d'alimentation pour la prévention de gel ne comprennent pas un volet motorisé
pour l'air extérieur. Si vous utilisez une installation simpliée, c'est à dire relier de
conduit d'alimentation d'air du VRC à l'aire du conduit de retour d'une fournaise, le VRC
doit fonctionner en continu. Lorsque le VRC est éteint, pas d'air d'évacuation chaud circule
à travers le VRC mais le ventilateur da fournaise continuera à aspirer l'air extérieur direc-
tement dans la fournaise. S'il fait froid dehors, l'air froid sera introduit, sans réchauffage,
directement dans la fournaise.
Si le VRC est installé de telle sorte que le propriétaire peut désactiver le VRC au cours de
l'hiver, nous vous recommandons d'installer un volet motorisé entre l'apport d'air du VRC
et le retour d'air du conduit de la fournaise qui se ferme lorsque le VRC ne fonctionne pas.
Voir le schéma de câblage (gure 1). Vous pouvez aussi choisir d'utiliser une VRC Fantech
qui utilise un dégivrage de recirculation qui intègre un volet d'air extérieur.
Damper
Motor
24 VAC Transformer
COM
NO
VRC Furnace interlock
Voir page 36.
24V
120V
Figure 1
* Le transformeur et le moteur du volet ne sont pas inclus.
Volet
motorisé
1 m (3pi 3po) min. recommandé

Related product manuals