EasyManua.ls Logo

Felder FB 640 - 10.2 Bandsäge FB 540;640 2 P+N

Felder FB 640
48 pages
Print Icon
To Next Page IconTo Next Page
To Next Page IconTo Next Page
To Previous Page IconTo Previous Page
To Previous Page IconTo Previous Page
Loading...
38
Bandsaw
FB 540/640/740/840/940
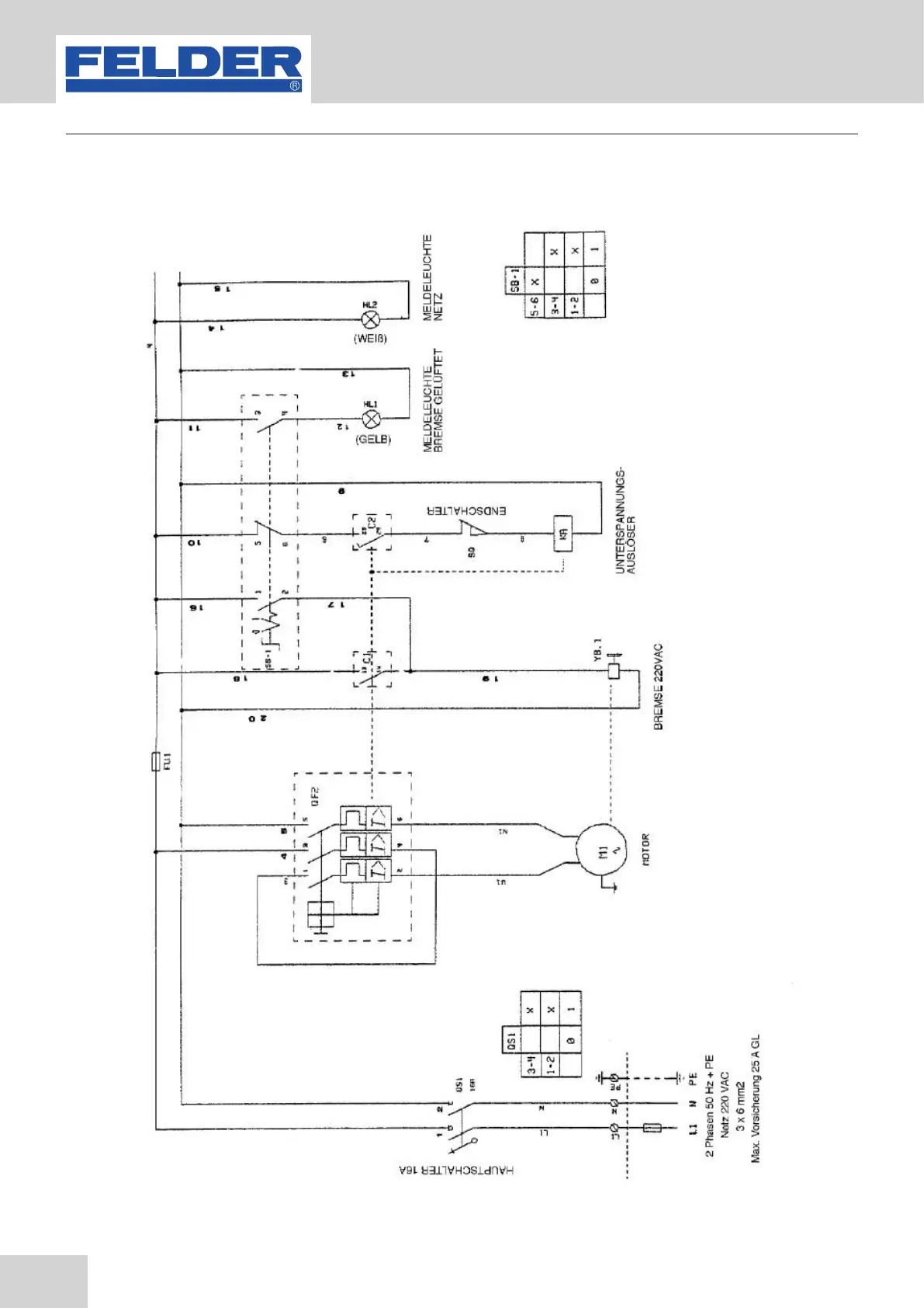
Fig. 29: Circuit diagram FB 450/540/640 2P+N
Electrical circuit diagram
10.2 Bandsaw FB 540/640 2P+N

Table of Contents

Related product manuals