EasyManua.ls Logo

Fellowes Venus A3 - Page 37

Fellowes Venus A3
112 pages
Print Icon
To Next Page IconTo Next Page
To Next Page IconTo Next Page
To Previous Page IconTo Previous Page
To Previous Page IconTo Previous Page
Loading...
DEKSEL
VRIJMAKEN
Deksel openen animatieAchteruit afgespeelde animatie
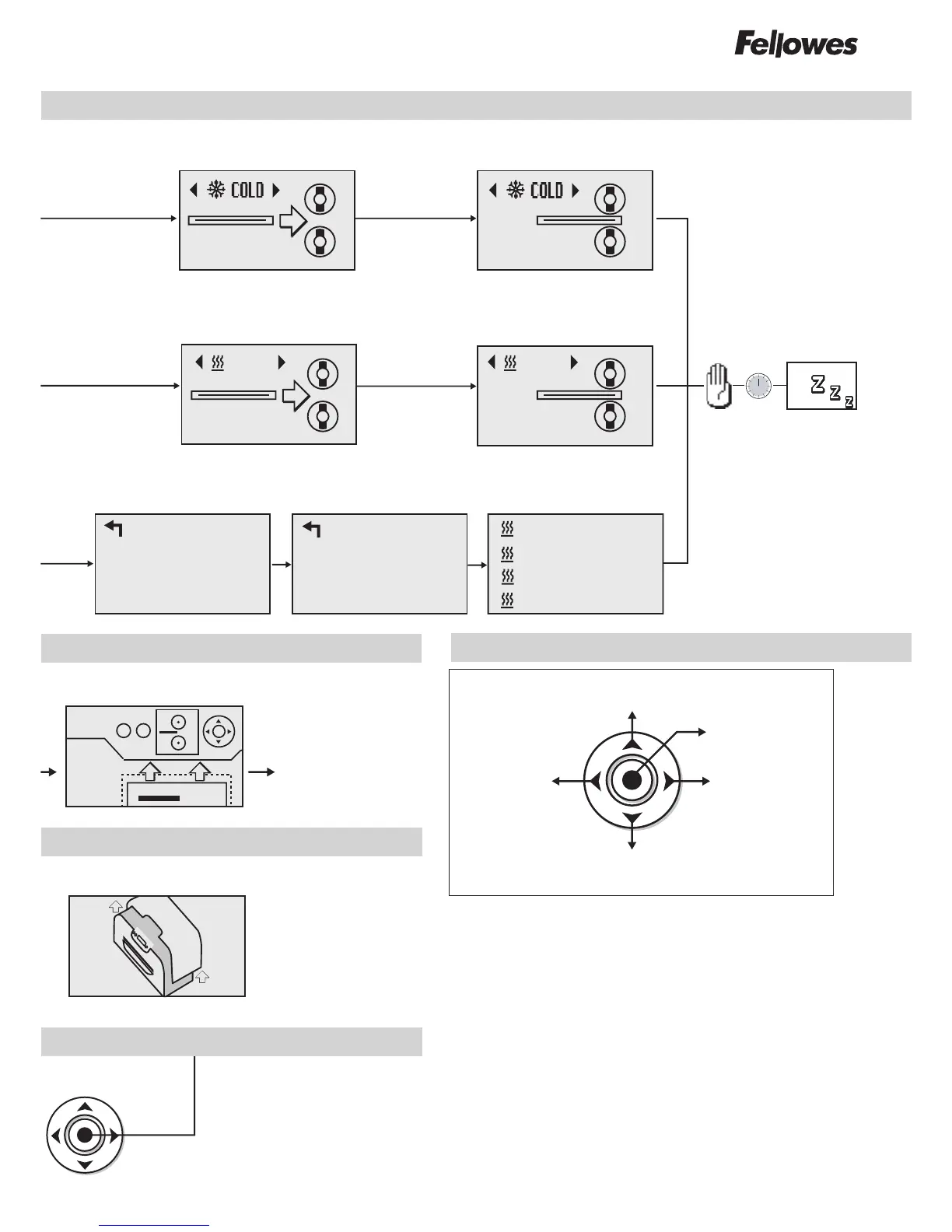
Venus – gebruikersinterface stroomdiagram
Manueel openen afkoelen animatie
Opstopping Afkoelen animatie
Startscherm
Toon logo gedurende 3 - 4 seconden
tijdens het opstarten alvorens verder
te gaan naar het menu.
Afkoelen voortgangsbalkHoesselectiescherm
Hoesselectiescherm
Hoesselectiescherm
Klaar voor gebruik scherm
Animatie tijdens lamineren
Animatie tijdens lamineren
Klaar voor gebruik scherm
Koud lamineren
Warm lamineren
Standaardtemperatuur
Opwarmen voortgangsbalk
Aantal verhogenAantal verlagen
Verplaats cursor
1 positie naar onder
Verplaats cursor 1 positie
naar boven
Selecteer het extra
belicht element op
het scherm.
Keer terug naar het
hoofdmenu wanneer
de animatie voltooid is.
Systeeminstellingen
bewaren.
Naar
hoofdmenu
250
mic
80
mic
100
mic
? TEMP
175
mic
125
mic
250
mic
80
mic
100
mic
? TEMP
175
mic
100
mic
˚C
EXIT
90
˚C
EXIT
92
˚C
˚C
˚C
˚C
175
mic
80
mic
100
mic
125
mic
90
101
103
110
˚C
˚C
˚C
˚C
175
mic
80
mic
100
mic
125
mic
92
101
103
110
EXIT
˚F mil
˚C
mic
EXIT
˚F
˚C mic
mil
EXIT
mil
mic
˚C
˚F
®
80
mic
100
mic
250
mic
? TEMP
125
mic
175
mic
80
mic
80
mic
80
mic
250
mic
80
mic
100
mic
? TEMP
175
mic
125
mic
A
B
CE
D
A
B
CE
D
37
CURSORTOETS
1 uur

Other manuals for Fellowes Venus A3

Related product manuals