EasyManua.ls Logo

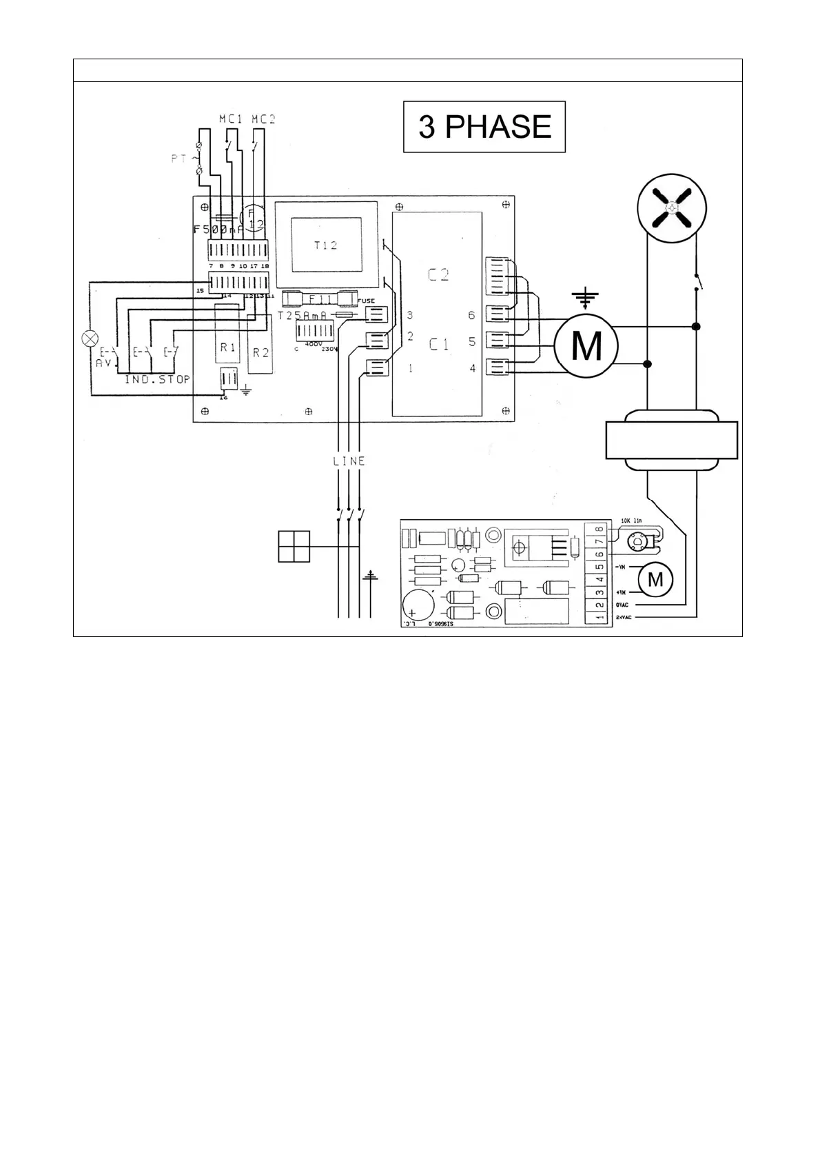
Fimar MPF1,5 - Wiring Diagram (3 Phase)

Fimar MPF1,5
Print Icon
To Next Page IconTo Next Page
To Next Page IconTo Next Page
To Previous Page IconTo Previous Page
To Previous Page IconTo Previous Page
Loading...
Mod. MPF/4 - 8 400V/3N

Table of Contents