EasyManua.ls Logo

Fimer TM 215 - BLOCK DIAGRAM

Fimer TM 215
28 pages
Print Icon
To Next Page IconTo Next Page
To Next Page IconTo Next Page
To Previous Page IconTo Previous Page
To Previous Page IconTo Previous Page
Loading...
17
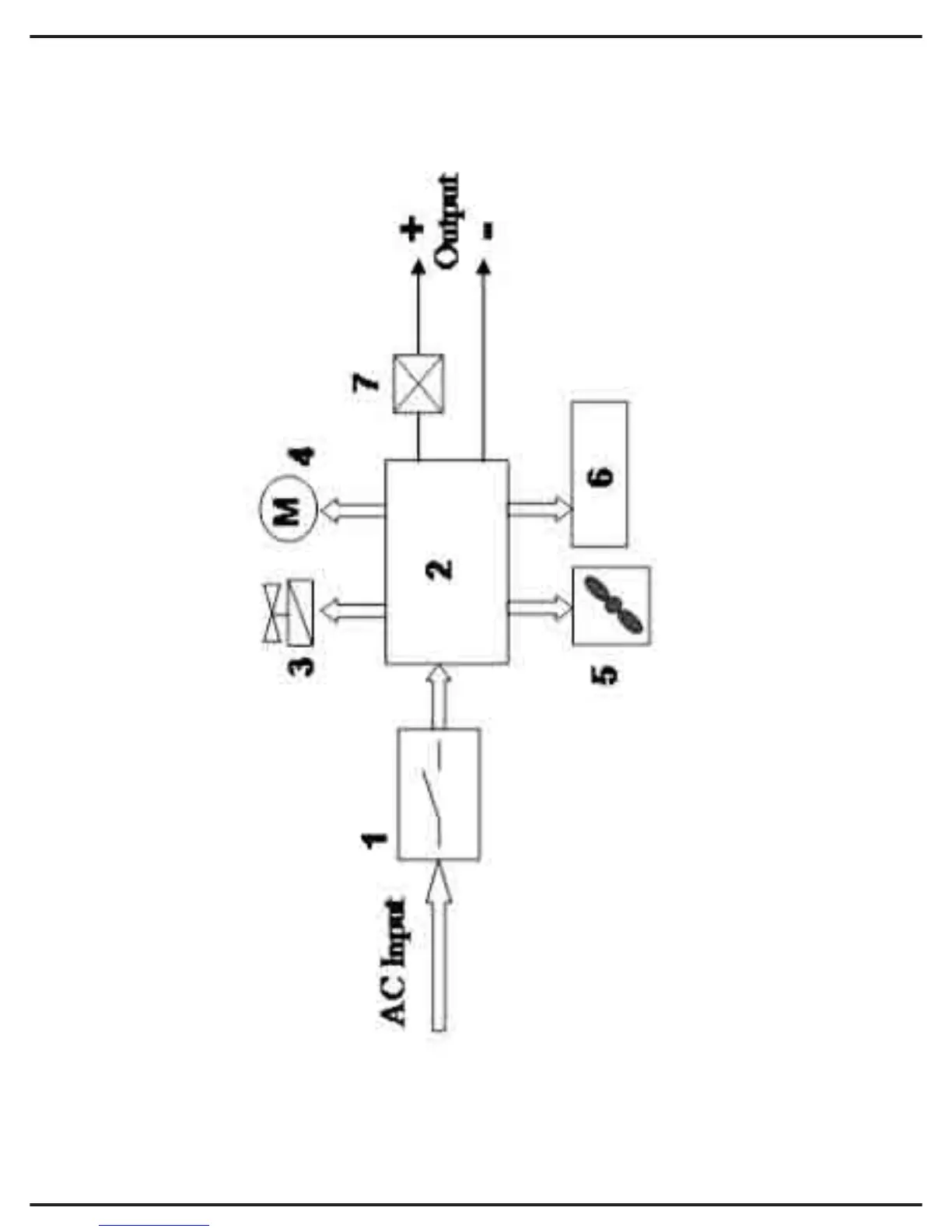
12. BLOCK DIAGRAM
1. Input Switch
2. Control and power card
3. Solenoid Valve
4. Wire-feeder motor
5. FAN
6. Display panel
7. Current sensor (installed on block 2)

Related product manuals