EasyManua.ls Logo

Fimet F1 - 2.11 Dental Chair

Default Icon
27 pages
Print Icon
To Next Page IconTo Next Page
To Next Page IconTo Next Page
To Previous Page IconTo Previous Page
To Previous Page IconTo Previous Page
Loading...
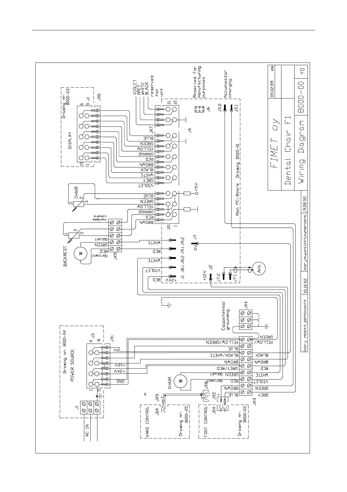
OWNERS MANUAL 25
WIRING DIAGRAM

Other manuals for Fimet F1