EasyManua.ls Logo

FINE mechatronics FS-8000 - 0-10 V Analog Output Details

FINE mechatronics FS-8000
52 pages
Print Icon
To Next Page IconTo Next Page
To Next Page IconTo Next Page
To Previous Page IconTo Previous Page
To Previous Page IconTo Previous Page
Loading...
---------------------------------------------------------------------------------
FINE MECHATRONICS FS8000
47
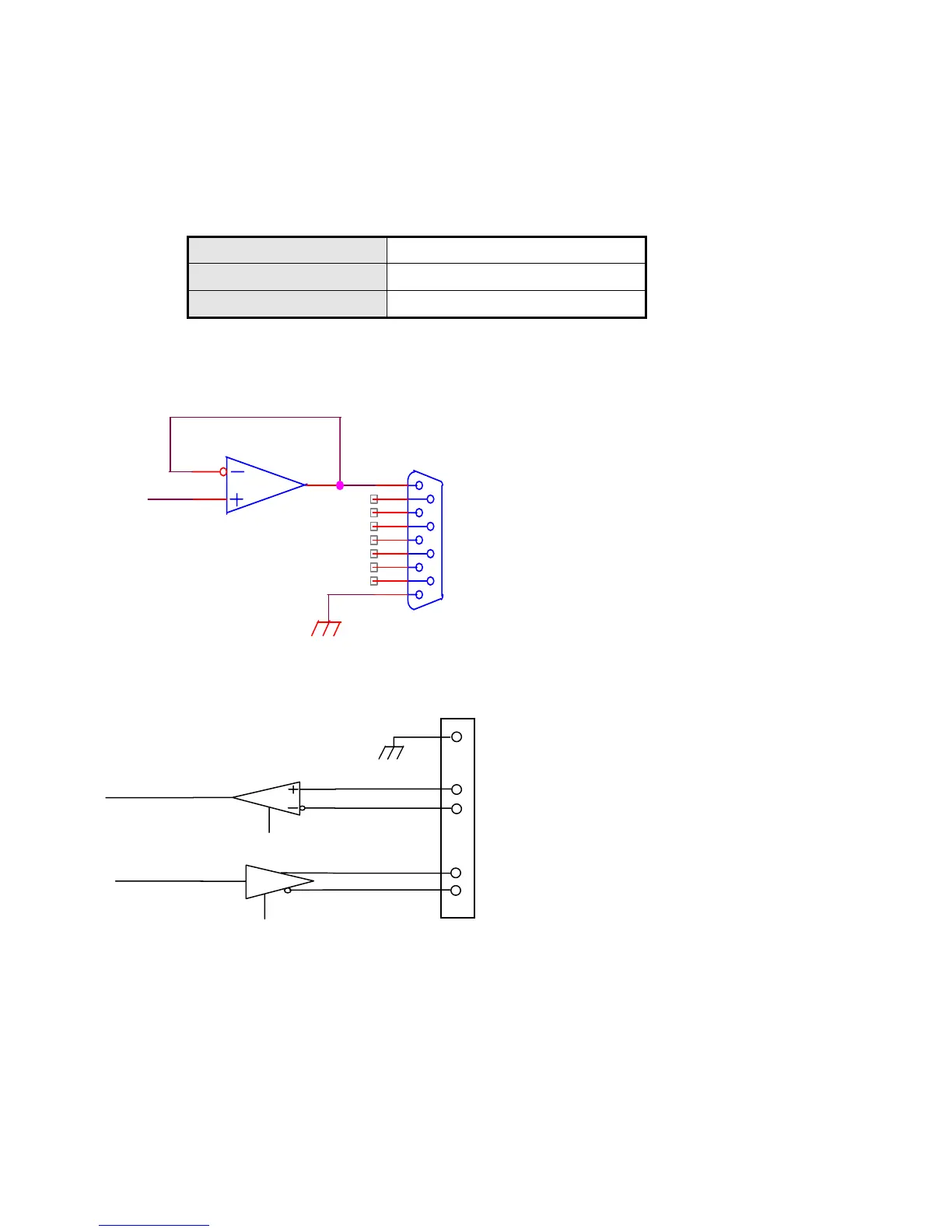
5-4-3V OP-05 voltage
(0 10V)
Analog out
* The voltage output occurs proportionally the voltage according to the size of a weight
In 0V ~10V.
* The type of voltage output can be changed according to SET UP F60
SPECIFICATION
9P D-TYPE Female & Voltage out circuit
NOTICE
As NO 5 Terminal is not GND, Please don`t connect the device such as GND line or BODY GND
Adjustment
How to calibrate for output rate bewteen 0v and 10v.
* The voltage out is to 0V when the weight is displayed 0 kg in indicator.
* The voltage out is to 10V when the weight is displayed max.capacity in indicator.
* If analog output is not correct,
You can make a fine adjustment with VR1(Zero adjustment) and VR2(Span adjustment)
on analog pc board by multi meter.( Recommended accuracy : 1/3,000 )
output Voltage 0 10V DC out
Precision Max 1/3000
Min Impedence
Over 1 kΩ
(+) 1
(-)5
5
9
4
8
3
7
2
6
1
2
3
1
1 FG
2 RXD(+)
3 RXD(-)
6 TXD(+)
7 TXD(-)