EasyManua.ls Logo

Finn Bark Blower BB-302 - Controls Wiring

Finn Bark Blower BB-302
55 pages
Print Icon
To Next Page IconTo Next Page
To Next Page IconTo Next Page
To Previous Page IconTo Previous Page
To Previous Page IconTo Previous Page
Loading...
43
WHEN ORDERING PARTS, BE SURE TO STATE
SERIAL NUMBER OF MACHINE
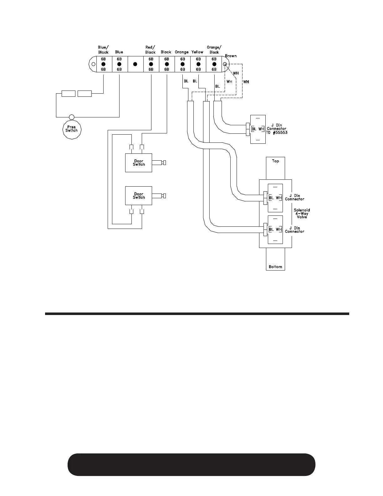
CONTROLS WIRING
Part Number Description No. Req’d
055689 Wiring Harness 1
031401 Stud Junction Block 1
FW71548 J Din Connector 3
055407 Door Switch 2
*55682 4-Way Solenoid Valve 1
*55659 Pressure Switch 1
* Note: See Hydraulic Schematic On Page 34-35
Forward
Solenoid
Reverse
Solenoid
Floor
Solenoid
Air Lock

Related product manuals