EasyManua.ls Logo

Fleck 2900S - Page 43

Fleck 2900S
64 pages
Print Icon
To Next Page IconTo Next Page
To Next Page IconTo Next Page
To Previous Page IconTo Previous Page
To Previous Page IconTo Previous Page
Loading...
Page 43
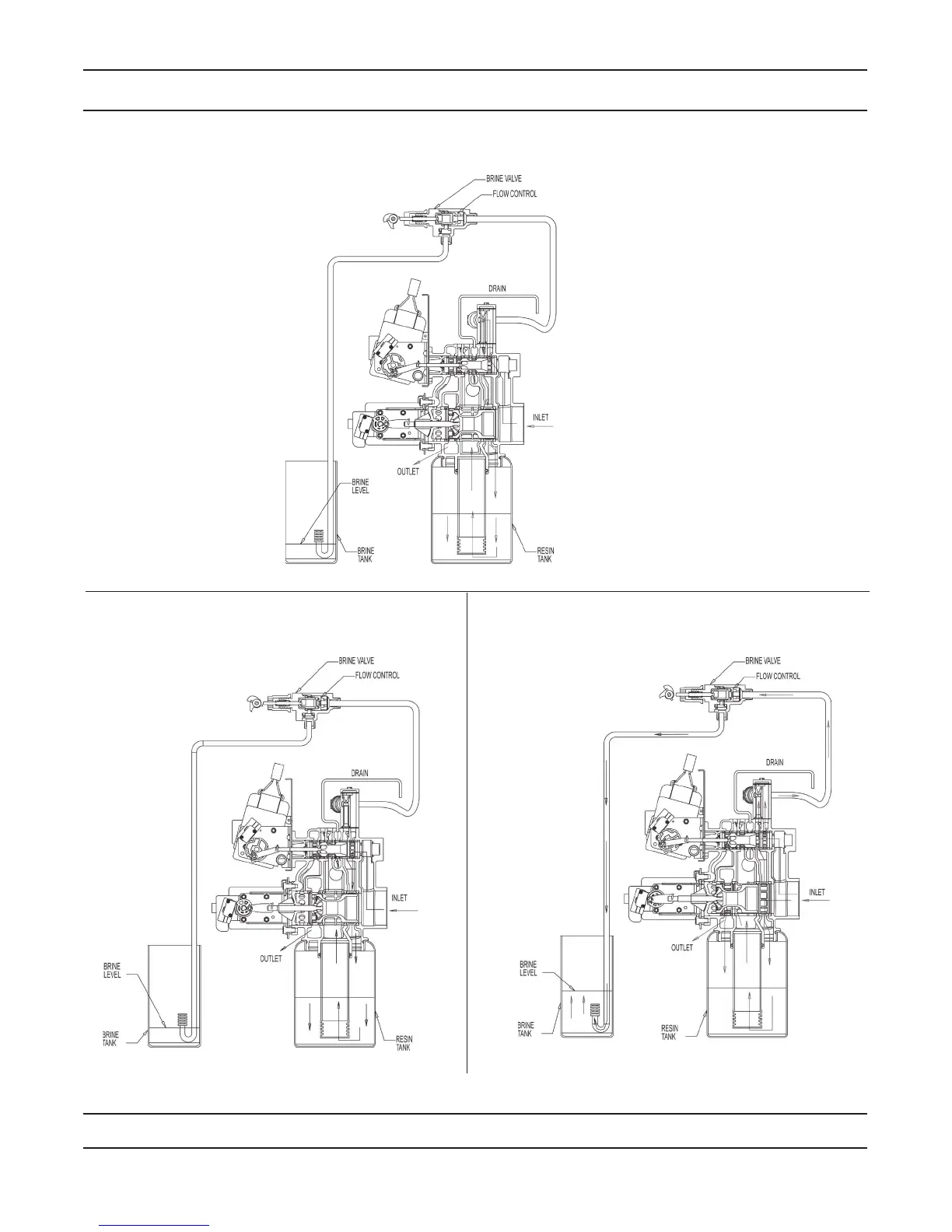
Water Conditioner Flow Diagrams - Downflow
4 Slow Rinse Position
5 Rapid Rinse 6 Brine Tank Refill Position
61500-2900 DOWNFLW_REVB