EasyManua.ls Logo

Fleck 2900S - Water Conditioner Flow Diagrams; Downflow Water Conditioner Flow Diagrams

Fleck 2900S
64 pages
Print Icon
To Next Page IconTo Next Page
To Next Page IconTo Next Page
To Previous Page IconTo Previous Page
To Previous Page IconTo Previous Page
Loading...
Page 42
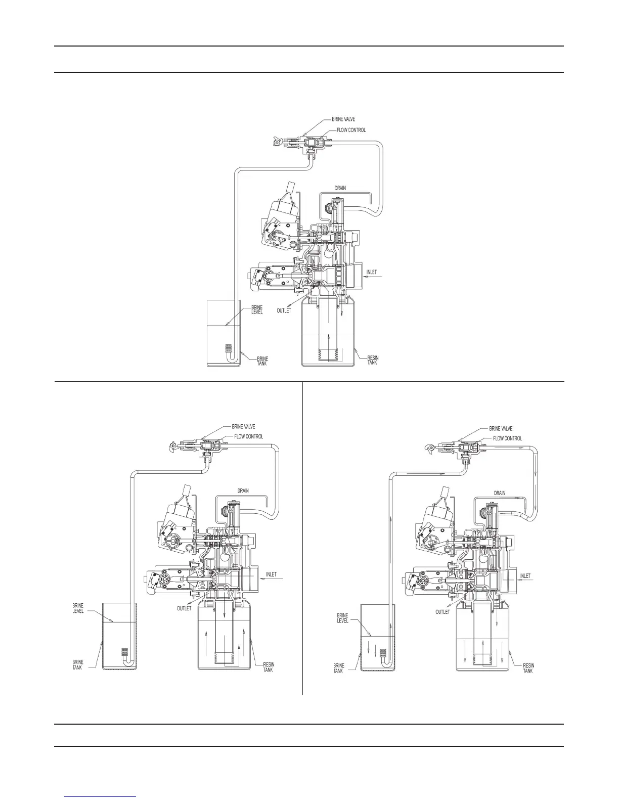
Water Conditioner Flow Diagrams - Downflow
1 Service Position
2 Backwash Position 3 Brine Position
61500-2900 DOWNFLW_REVB