EasyManua.ls Logo

FlexArm GH-24 - Page 22

Default Icon
59 pages
Print Icon
To Next Page IconTo Next Page
To Next Page IconTo Next Page
To Previous Page IconTo Previous Page
To Previous Page IconTo Previous Page
Loading...
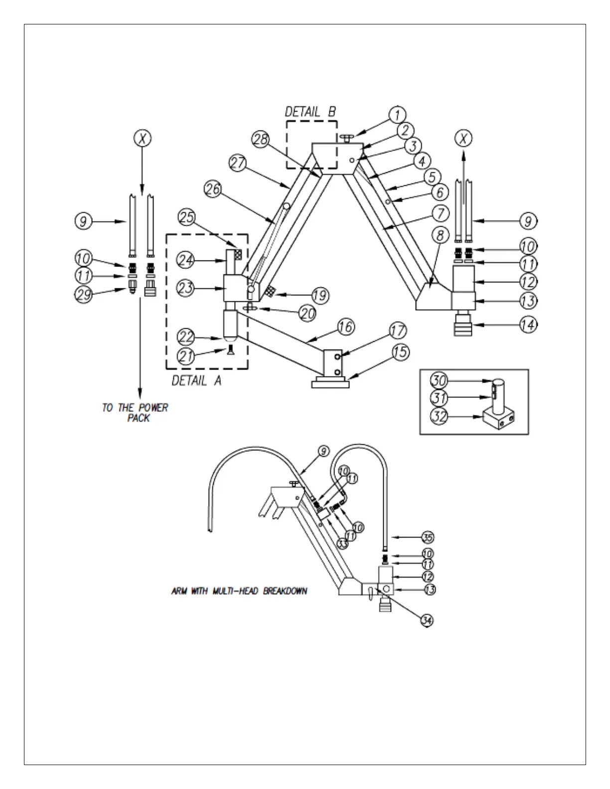
22 of 59 GH-24, GH-30, GH-45, GH-60 Rev.003
PARTS BREAKDOWN: GH-24, GHM-24, GH-30 & GHM-30

Related product manuals