EasyManua.ls Logo

FlexArm GH-24 - Page 26

Default Icon
59 pages
Print Icon
To Next Page IconTo Next Page
To Next Page IconTo Next Page
To Previous Page IconTo Previous Page
To Previous Page IconTo Previous Page
Loading...
26 of 59 GH-24, GH-30, GH-45, GH-60 Rev.003
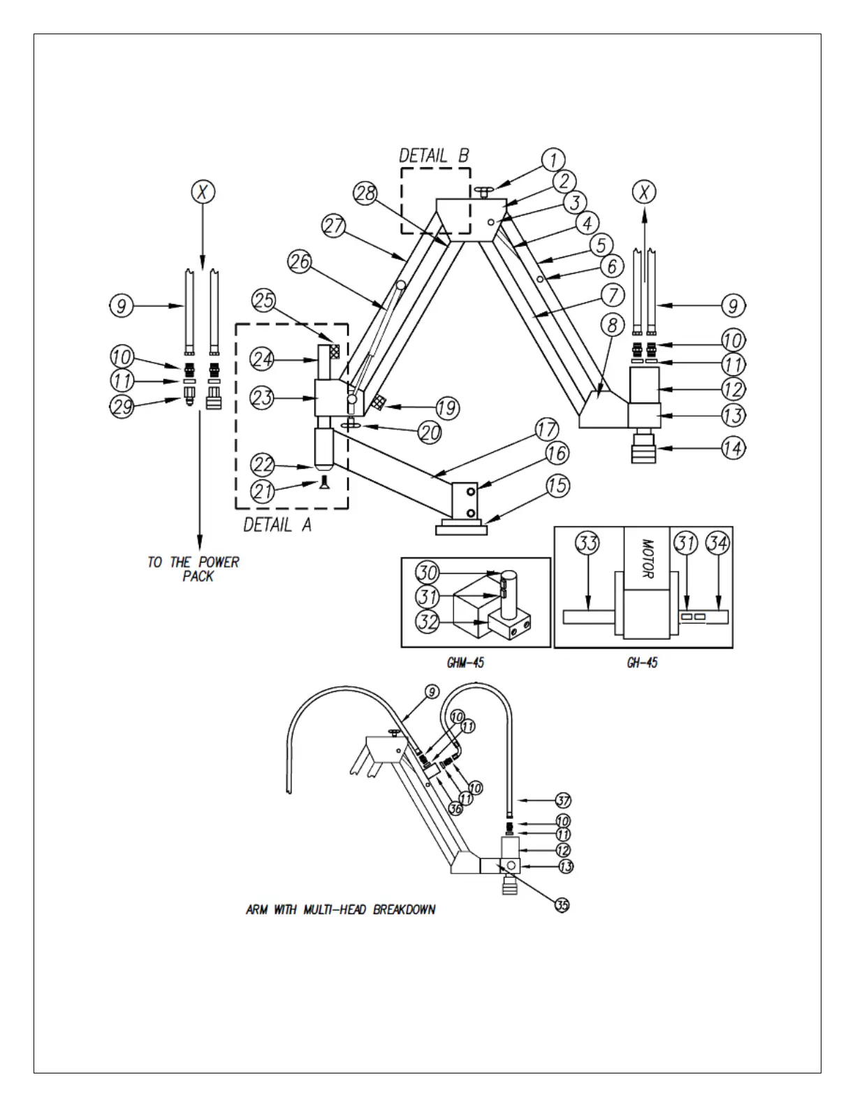
PARTS BREAKDOWN: GH-45 & GHM-45

Related product manuals