EasyManua.ls Logo

FlexArm GH-24 - Page 40

Default Icon
59 pages
Print Icon
To Next Page IconTo Next Page
To Next Page IconTo Next Page
To Previous Page IconTo Previous Page
To Previous Page IconTo Previous Page
Loading...
40 of 59 GH-24, GH-30, GH-45, GH-60 Rev.003
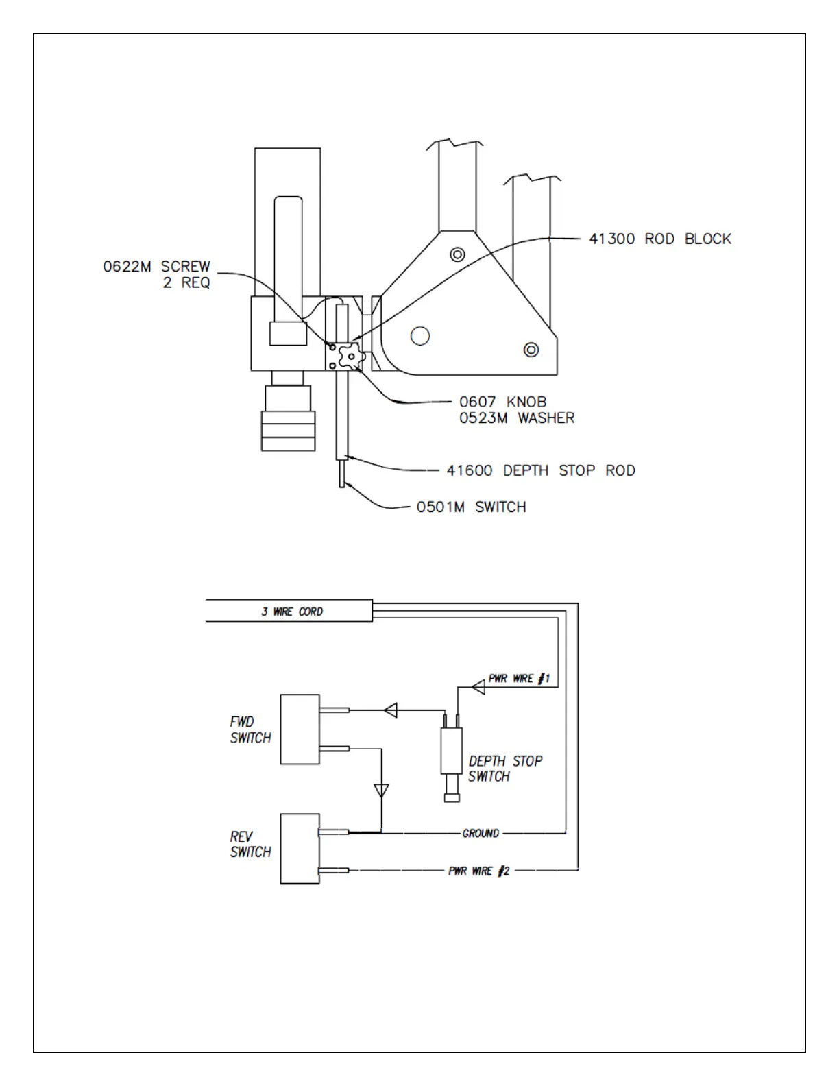
OPTIONAL ACCESORY: MECHANICAL DEPTH STOP

Related product manuals