EasyManua.ls Logo

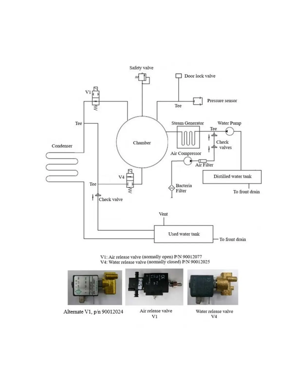
Flight Dental Systems Clave 23+ - Hydraulic Diagram; Major System Component Layout; Water and Air Flow Paths; Key Valve Identification

Flight Dental Systems Clave 23+
24 pages
Print Icon
To Next Page IconTo Next Page
To Next Page IconTo Next Page
To Previous Page IconTo Previous Page
To Previous Page IconTo Previous Page
Loading...
22
Clave 23+ Instruction Manual v1.4
Appendix 4
Hydraulic Diagram

Related product manuals