EasyManua.ls Logo

Flowserve 12M264 - Parts List and Drawings; 8.1 Standard Duties-Frames 1 & 2 Parts

Flowserve 12M264
60 pages
Print Icon
To Next Page IconTo Next Page
To Next Page IconTo Next Page
To Previous Page IconTo Previous Page
To Previous Page IconTo Previous Page
Loading...
M SLURRY USER INSTRUCTION ENGLISH 71569241 - 02/08
Page 50 of 60
®
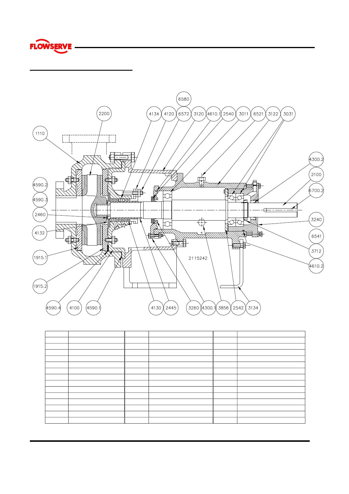
8 PARTS LIST AND DRAWINGS
8.1 Standard Duties-Frames 1 & 2
Ref. Description Ref. Description Ref. Description
1110 Casing 3122 Bearing Cartridge 4590.1 Gasket, Casing
1915.1 Wear plate, Suction 3134 Support Foot 4590.2 Gasket, Impeller
1915.2 Wear plate, Gland 3240 Thrust bearing Housing 4590.3 Gasket, Sleeve
3260 Line Bearing Cover 4590.4 Gasket, wear plate
2100 Shaft 3712 Lock Nut, Bearing 4590.5 Gasket, wear plate
2200 Impeller 3856 Oil Level Site Gauge 4610.1 O-ring, Line Bearing
2445 Shaft Sleeve 4610.2 O-ring, Thrust Bearing
2460 Spacer, Impeller 4100 Stuffing Box
2540 Deflector 4120 Gland Half 6521 Vent Plug
2542 Clamp Ring 4130 Packing 6541 Lockwasher
4132 Protector Plate 6572 Stud, wear plate
3011 Line bearing 4134 Lantern Ring 6580 Nut, wear plate
3031 Thrust bearing 4300.1 Seal, Line Bearing 6700.1 Key, coupling
3120 Adaptor Support 4300.2 Seal, Thrust Bearing 6700.2 Key, Shaft

Table of Contents

Related product manuals