EasyManua.ls Logo

Flowserve 12M264 - 8.8 Severe Duty-Frame 5&6 with Expeller Parts

Flowserve 12M264
60 pages
Print Icon
To Next Page IconTo Next Page
To Next Page IconTo Next Page
To Previous Page IconTo Previous Page
To Previous Page IconTo Previous Page
Loading...
M SLURRY USER INSTRUCTION ENGLISH 71569241 - 02/08
Page 57 of 60
®
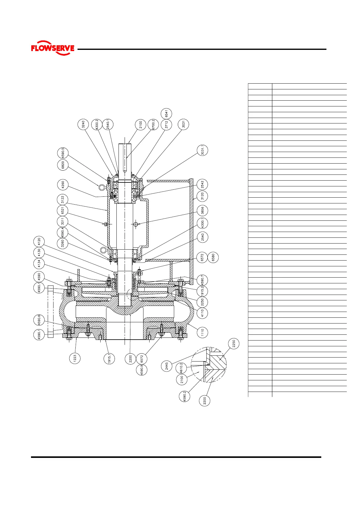
8.8 Severe Duty –Frame 5&6 with Expeller
Ref. Description
1110 Casing
1223 Suction Cover
1915.1 Wear plate, Suction
1915.2 Wear plate, Expeller
2100 Shaft
2200 Impeller
2250 Radial Flow Impeller, Expeller
2445 Shaft Sleeve
2460 Spacer, Impeller
2540 Deflector
2542 Clamp Ring
2912 Impeller Nut
3011 Line bearing
3031 Thrust bearing
3120 Adaptor Support
3122 Bearing Cartridge
3134 Support Foot
3240 Thrust Bearing Housing
3260 Line Bearing Cover
3712 Lock Nut, bearing
3856 Oil Level Site Gauge
4100 Stuffing Box
4110 Housing, Expeller
4120 Gland Half
4130 Packing
4134 Lantern Ring
4260 Spring
4300.1 Line bearing seal
4300.2 Thrust Bearing Seal
4590.1 Gasket, Casing
4590.2 Gasket, Impeller
4590.3 Gasket, Sleeve
4590.4 Gasket, Inboard Bearing
4590.5 Gasket, Outboard
4590.6 Gasket, Wear plate
4590.7 Gasket, Stuffing Box
4590.8 Gasket, wear plate
4610.1 O-ring, Line bearing
4610.2 O-ring , thrust bearing
4610.3 O-ring, Stuffing Box
4610.4 O-ring, Expeller Housing
6521 Vent Plug
6541 Lockwasher
6572 Stud, wear plate
6580 Nut, wear plate
6700.1 Key, Coupling
6700.2 Key, Shaft
6820 Bolt, Eye

Table of Contents

Related product manuals