EasyManua.ls Logo

FOG QUADRA 493 9021 - Page 38

Default Icon
60 pages
Print Icon
To Next Page IconTo Next Page
To Next Page IconTo Next Page
To Previous Page IconTo Previous Page
To Previous Page IconTo Previous Page
Loading...
E 167 - GB - 6
38
Rue du Pré Neuf - 58440 MYENNES FRANCE
QUADRA
493 9021
493 9031
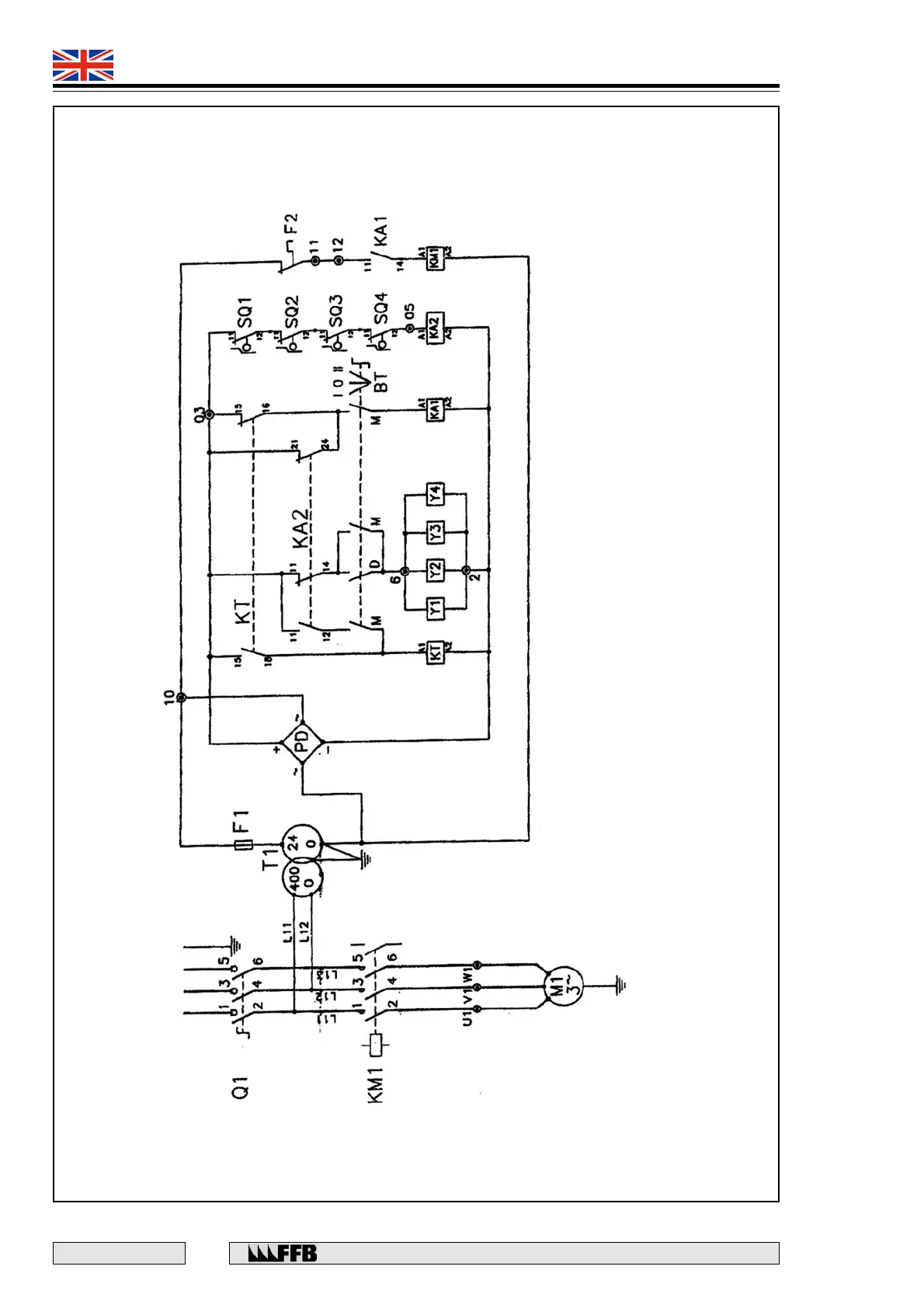
Electric wiring diagram
Lift 493 9021
Power supply 400V
as required by laws in force
Q1 : 3 phase main switch
KM1 : 3 phase motor switch
M1 : Motor 1,8 Kw / 2850 rpm
T1 : Transformer 400V / 24V - 160 VA
F1 : Fuse 10A Am (slow)
PD : Diode bridge
BT : Ascent/ Descent Button
(automatic return to "O")
F2 : Motor overheating safety switch (Qty : 2)
KT : Timing relay 3 sec. (switch-on delayed)
Y1...Y4 : Electric solenoid 40W 16V (direct current)
SQ1...SQ4 : Cable break / loosening detector switch
KA1 : Auxiliary relay 24V d.c. (ascent)
KA2 : Cable break detectors relay 24V- d.c.-2 reversers
ADD-ON STD Type 493 9021

Related product manuals