EasyManua.ls Logo

Freemotion 730 - Page 34

Freemotion 730
36 pages
Print Icon
To Next Page IconTo Next Page
To Next Page IconTo Next Page
To Previous Page IconTo Previous Page
To Previous Page IconTo Previous Page
Loading...
34
4
4
77
82
83
77
78
79
12
11
8
11
12
8
6
80
81
1
1
1
1
14
14
5
5
84
29
92
105
7
7
87
9
37
92
22
10
3
85
90
22
10
91
91
88
89
13
37
3
14
9
6
94
13
13
13
36
36
22
22
94
93
86
93
106
14
86
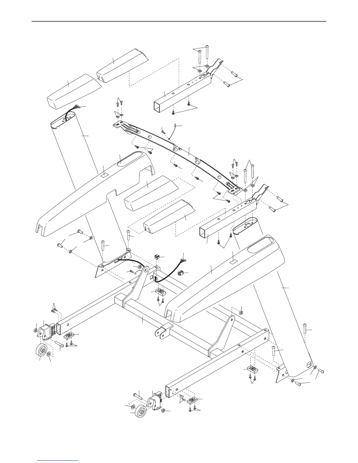
EXPLODED DRAWING C
Model No. SFTL17911.0 R0112A

Related product manuals