EasyManua.ls Logo

freightliner S2 - Page 137

freightliner S2
162 pages
Print Icon
To Next Page IconTo Next Page
To Next Page IconTo Next Page
To Previous Page IconTo Previous Page
To Previous Page IconTo Previous Page
Loading...
Fig. 19.18. There are four rows of lights. Lights in-
stalled in the top row are optional and their positions
may vary. The lights in the bottom three rows are
installed in fixed positions on all vehicles. Most are
standard, but a few are optional.
The instrument cluster has an emergency buzzer that
sounds when mission-critical conditions occur.
A description of the standard warning and indicator
lights are listed below.
Maintenance Warning Light
When the amber maintenance warning light illumi-
nates, the message display center will alert the driver
as follows:
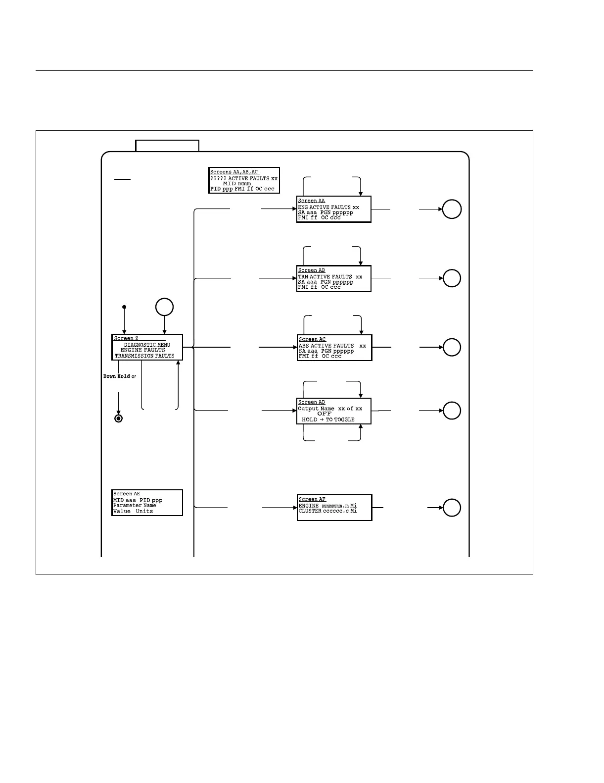
Diagnostics
Note 5:
Screen Z scrolls to display the
following items:
ENGINE FAULTS
TRANSMIS
SION FAULTS
ABS FAULTS
CHECK OUTPUTS
CHECK DATA INPUTS
ODOMETER DIAGNOSTICS
CHECK GAUGES
CHECK WARNING LAMPS
CHECK LCD
CHECK BINARY INPUTS
CHECK ANALOG INPUTS
CHECK DATA LINK
VERSION INFORMATION
EXIT
The text DIAGNOSTIC MENU
remains fixed on the first line.
Down Press
Display Next Fault
Down Press
Display Next Fault
Down Press
Display Next Fault
Right Press
Or
Down Hold
Down Press
Change to
Next Output
Right Press
Or
Down Hold
Right Hold
Toggle Output
State Between
Off and On
Menu
Right Press
Engine Faults
Highlighted
Right Press
Trans Faults
Highlighted
Right Press
ABS Faults
Highlighted
Right Press
Check Outputs
Highlighted
Menu
(Right & Exit
highlighted)
Menu
Right Press
Or
Down Hold
Menu
Right Press
Or
Down Hold
Menu
Screens AA,AB,AC Format For J1587
Screen AE For J1587
Down Press
Highlight next
line of list.
At bottom,
wrap to top
Right || Hold Down
Right Press
Odometer Diag
Highlighted
Menu
09/23/2009 f040795
Fig. 19.6, Diagnostic Menu Screens, Screen 1
Propane Fuel System
19.11

Table of Contents

Related product manuals