EasyManua.ls Logo

Friedrich VRP24K - Page 30

Friedrich VRP24K
41 pages
Print Icon
To Next Page IconTo Next Page
To Next Page IconTo Next Page
To Previous Page IconTo Previous Page
To Previous Page IconTo Previous Page
Loading...
30
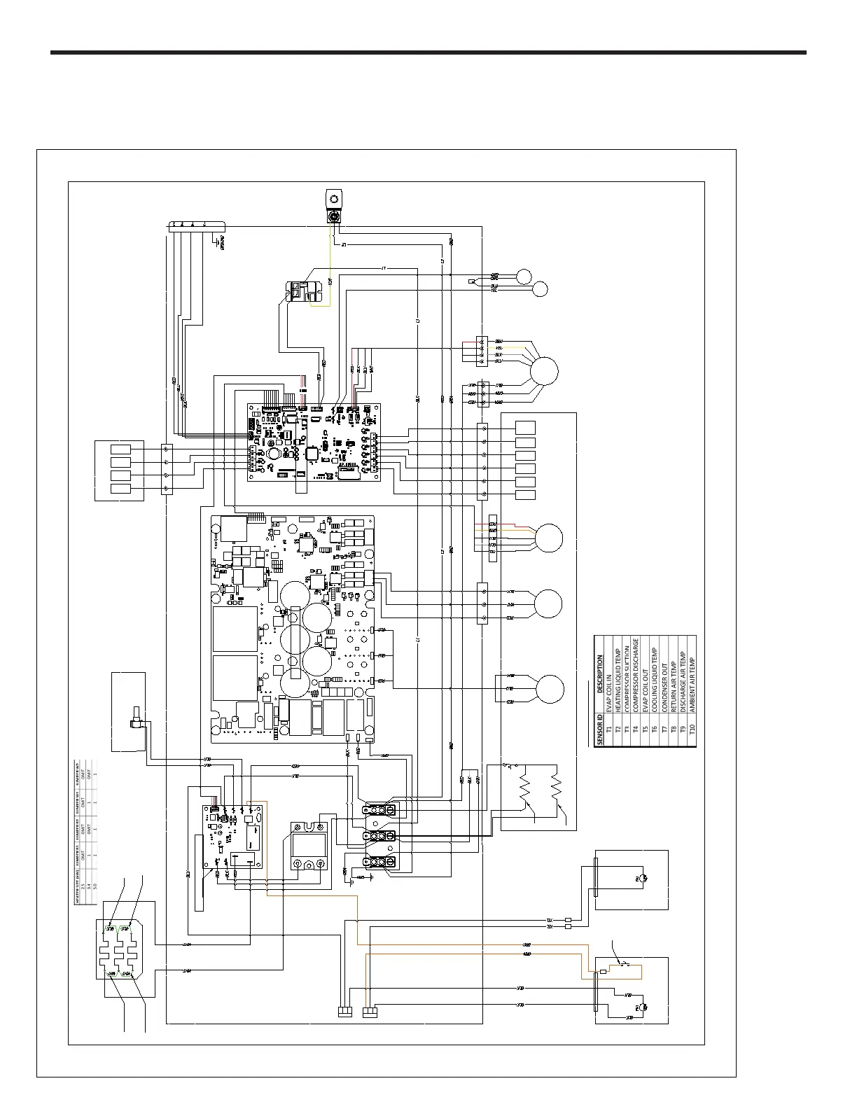
Electrical Wiring Diagram - 208/230V 2.5, 3.4, & 5.0 kW
ID MOTOR
REVERSING VALVE
SSR
MOTOR CONTROLLER
MAIN CONTROLLER
T5
T8
T1
T9
T4
T3 T2 T6
T7
T10
BLDC
BLDC
COMPRESSOR OD MOTOR
+3
4
FRESH AIR
EVAPORATOR
SECTION
CONDENSER
SECTION
HEATER
COMPARTMENT
U V W
U V W
U V W
SENSORS TABLE
SEE SENSOR TABLE!
STEP
EEV
2
1
SEE SENSOR TABLE!
SEQ 240 HARNESS
EXT COND SENSORS
4770F
SEQ (100)
VRP HEATER CONTROLLER
A
B
C
LEFT SIDE
RIGHT SIDE
V+
SEQ 190
SEQ 180
HPS
LPS
PRESSURE SWITCHES
ASSEMBLED ON REFRIGERATION
SEQ 12
JMP B2
SEQ 11
JMP W1
SEQ 11
JMP W2
SEQ 12
JMP B1
CONDENSER SECTION
BLDC
REHEAT COIL
INLET
L1
L2
*
*
*
*
PARTS PRESENT ONLY
FOR RE-HEAT MODELS
GND
NOTE: FRESH AIR CONFIGURATION
WILL DEPEND ON THE UNIT MODEL
*
SWITCH
ON-OFF
92183010 REV04
WIRING DIAGRAM HP EH
VRP12K / VRP24K (230V/208V)
2.5kW, 3.4kW, 5.0kW
T-STAT
LOW AMBIENT
CONTROL
-OPTIONAL-
(UNIT FRONT)
SLINGER HTR
BASEPAN HTR

Other manuals for Friedrich VRP24K

Related product manuals