EasyManua.ls Logo

Frigidaire FFLE3911QW - Page 38

Frigidaire FFLE3911QW
195 pages
Print Icon
To Next Page IconTo Next Page
To Next Page IconTo Next Page
To Previous Page IconTo Previous Page
To Previous Page IconTo Previous Page
Loading...
37
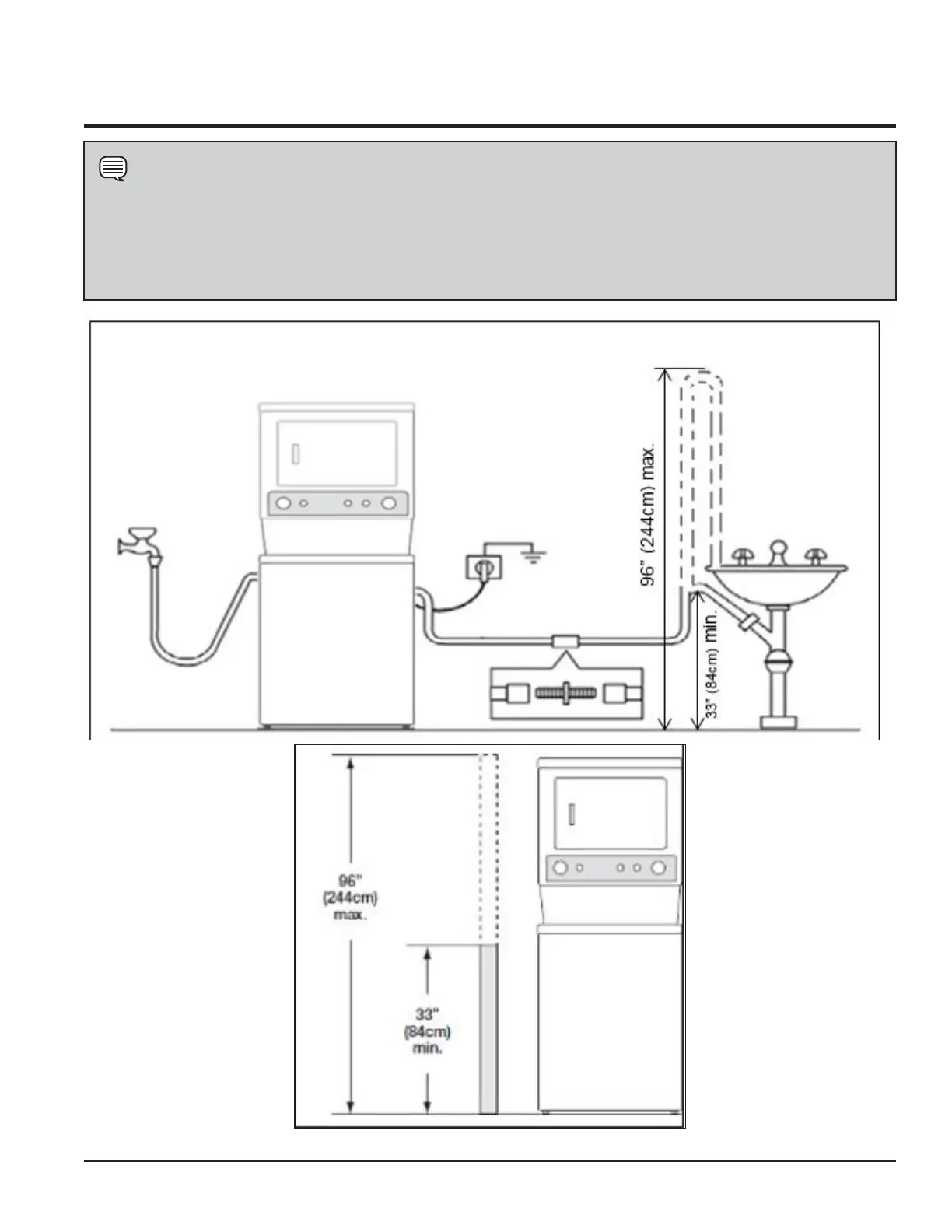
NOTE
For installations requiring a longer drain hose, have a qualified technician install a longer drain hose
(according to your model number) available from an authorized parts distributor. For drain systems in the floor,
install a syphon break kit available from your local hardware store.

Table of Contents

Related product manuals